Юнилевер. АСД энергохозяйства
Lamoda. Автоматизация общеобменной вентиляции центральных складо
АО «Химпэк», г. Дедовск. Система сбора данных и диспетчеризации
Афипский НПЗ
Нижегородский водоканал. Автоматизация очистных сооружений
ГК «ПИК». Система управления общеобменной и технологической вент
ГК «ПИК». Автоматизация газового хозяйства производственного ком
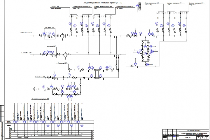
КАМАЗ-мастер. Автоматизация ИТП производственного комплекса
ГК «ПИК». Автоматизация системы управления деаэратором
Агрокомплекс «Иванисово». АСДУ систем вентиляции
Lamoda. Диспетчеризация общеобменной вентиляции центральных скла
ГК «ПИК». Система диспетчеризации производственного комплекса
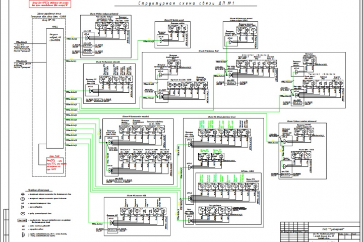
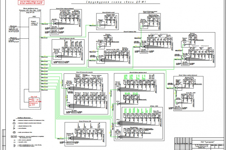
АО «Тулачермет». Сети связи и сигнализация
Афипский НПЗ. Автоматизация ИТП
Афипский НПЗ. АДИС энергохозяйства складов
Кольская ГМК. АСДУ логистического центра
ФГБУ «ВНИИЗЖ». Автоматизированная система диспетчеризации
Мосавтодор. Автоматизация дренажной канализации
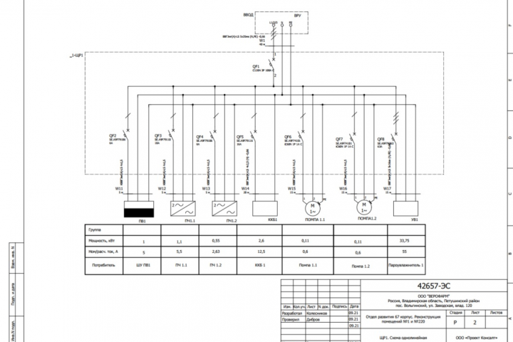
ООО «Верофарм». ЭОМ системы вентиляции ООО "Верофарм"
ГК «ПИК». Система управления силовым электрооборудованием произв