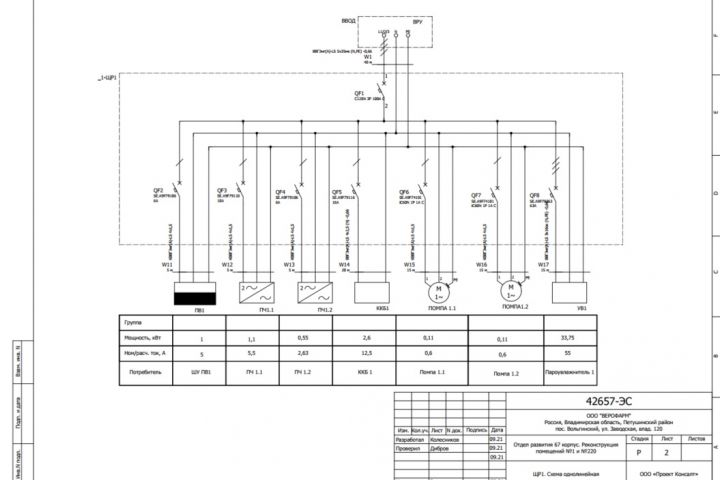
ООО «Верофарм». ЭОМ системы вентиляции ООО "Верофарм"
Для полной функциональности этого сайта необходимо включить JavaScript.
Валерий Воробьев
vara777
Рейтинг: 44
не верифицирован
Всего отзывов:
0
1
Работ в портфолио:
24
Типовых услуг:
0
Работ на продажу:
0
Зарегистрирован:
20.02.2024
Был на сайте:
2025-05-30 в 15:20
+79778132330
inbox
Предложить работу
Добавить в избранное
Добавить рекомендацию
Пожаловаться
Инженерия
40
0
ООО «Верофарм». ЭОМ системы вентиляции ООО "Верофарм"
Используемые навыки:
Электроснабжение
Описание
Решение
Результат
Соавторы
Презентация проекта
Примеры реализации
Описание
Разработка рабочей документации
Презентация проекта
Оценили проект:
0
×
Оценили проект
×
Авторизация
Для того чтобы оценивать проекты, вам нужно войти на сайт
Другие проекты
Все проекты
ГК «ПИК». Автоматизация газового хозяйства производственного ком
ФГБУ «ВНИИЗЖ». Автоматизированная система диспетчеризации
Lamoda. Автоматизация общеобменной вентиляции центральных складо
FREELANCE.RU
Toggle navigation
Нанять фрилансера
Заказчику
Каталог фрилансеров
Каталог PRO
Каталог студий
Каталог услуг
Каталог работ
Виртуальный HR
Умный поиск
Провести конкурс
Разместить задание
Найти работу
Найти задание
Присоединиться к команде
Участвовать в конкурсе
Предложить услугу
Вход
Разместить задание
▲