Рейтинг: 44
не верифицирован
Всего отзывов: 0 1
  • Работ в портфолио: 24
  • Типовых услуг: 0
  • Работ на продажу: 0
  • Зарегистрирован: 20.02.2024
Был на сайте:

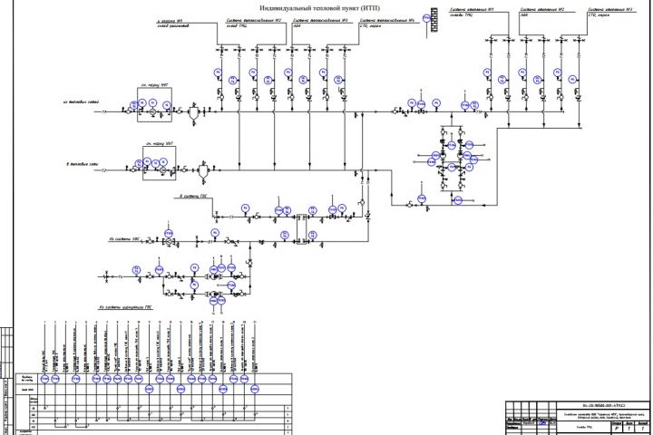
Афипский НПЗ. Автоматизация ИТП

Используемые навыки:

Описание

Разработка проектной документации
Разработка рабочей документации

Презентация проекта

pic4550446.jpg

Оценили проект:

0