Юнилевер. АСД энергохозяйства
Для полной функциональности этого сайта необходимо включить JavaScript.
Валерий Воробьев
vara777
Рейтинг: 44
не верифицирован
Всего отзывов:
0
1
Работ в портфолио:
24
Типовых услуг:
0
Работ на продажу:
0
Зарегистрирован:
20.02.2024
Был на сайте:
2025-05-30 в 15:20
+79778132330
inbox
Предложить работу
Добавить в избранное
Добавить рекомендацию
Пожаловаться
Инженерия
78
0
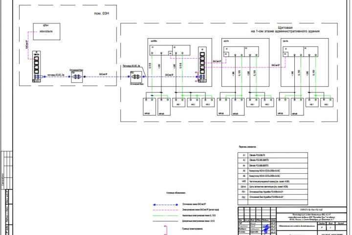
Юнилевер. АСД энергохозяйства
Используемые навыки:
Инженерные изыскания
Описание
Решение
Результат
Соавторы
Презентация проекта
Примеры реализации
Описание
Разработка рабочей документации
Презентация проекта
Оценили проект:
0
×
Оценили проект
×
Авторизация
Для того чтобы оценивать проекты, вам нужно войти на сайт
Другие проекты
Все проекты
ГК «ПИК». Система управления силовым электрооборудованием произв
Кольская ГМК. АСДУ логистического центра
ГК «ПИК». Автоматизация газового хозяйства производственного ком
FREELANCE.RU
Toggle navigation
Нанять фрилансера
Заказчику
Найти по специализации
Найти по услугам
Провести конкурс
Разместить задание
Виртуальный HR
Найти студию
Другое
Найти работу
Фрилансеру
Найти задание
Присоединиться к команде
Участвовать в конкурсе
Предложить услугу
Другое
Возможности
Для заказчика
Для фрилансера
Вход
Разместить задание
▲