Программа автоматического управления котельной
Раздел СС
Проект охранно-пожарной сигнализации и системы диспетчеризации
Автоматизация котельной 28 МВт
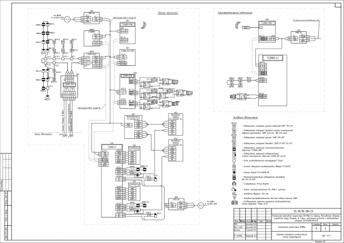
Автоматизация котельной тепловой мощностью 90 МВт
Внутреннее электроснабжение и освещение котельной
Внутреннее электроснабжение и электроосвещение котельной