Рейтинг: 67
не верифицирован
Всего отзывов: 0
  • Работ в портфолио: 7
  • Типовых услуг: 0
  • Работ на продажу: 0
Был на сайте:

Раздел СС

Используемые навыки:

Описание

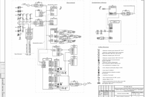
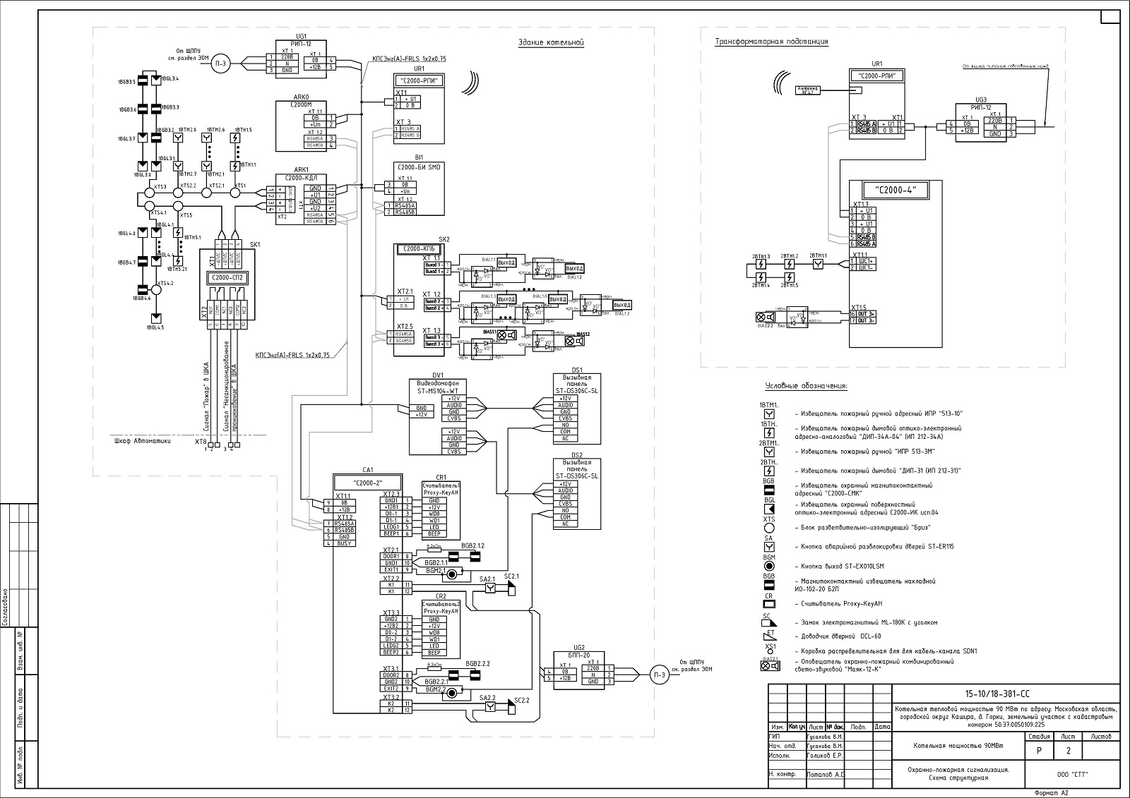
Проектом предусмотрено оборудование котельной системой диспетчеризации, телефонной связи, радиофикации, охранно-пожарной сигнализации (ОПС), системой оповещения и управления эвакуацией людей (СОУЭ), а также системой видеонаблюдения.

Презентация проекта

pic4035703.jpg

Оценили проект:

0