Рейтинг: 67
не верифицирован
Всего отзывов: 0
  • Работ в портфолио: 7
  • Типовых услуг: 0
  • Работ на продажу: 0
Был на сайте:

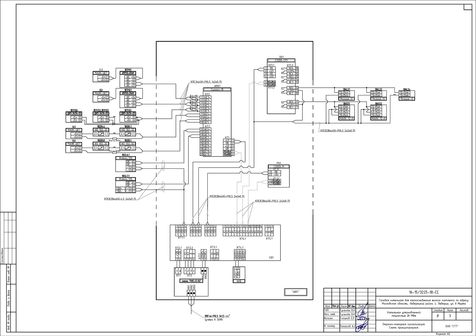
Проект охранно-пожарной сигнализации и системы диспетчеризации

Используемые навыки:

Описание

Данный проект описывает системы по обнаружению очагов возгорания, а также несанкционированного проникновения в здание котельной с помощью автоматических систем охранной и пожарной сигнализации.

Презентация проекта

pic4035702.jpg

Оценили проект:

0