Ответственность и исполнительность

Павел Соболев dwgmaster

Рейтинг: 82
не верифицирован
Всего отзывов: 0
  • Работ в портфолио: 12
  • Типовых услуг: 0
  • Работ на продажу: 0
  • Возраст: 29 лет
  • Зарегистрирован: 31.03.2021
Был на сайте:

Обо мне

Меня зовут Павел, мне 24 года. Я занимаюсь разработкой веб-сайтов, но про профессии инженер-теплоэнергетик. Мы вместе с моей женой Дарьей (дада, она тоже инженер-теплоэнергетик) создали проект dwg-master 1 ноября 2020 года.
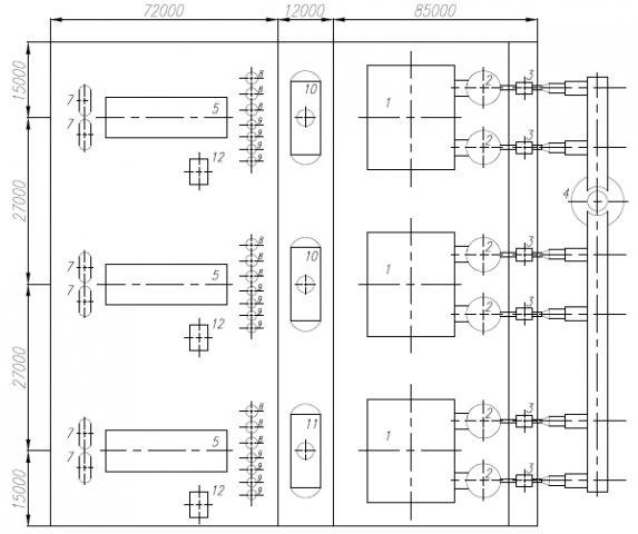
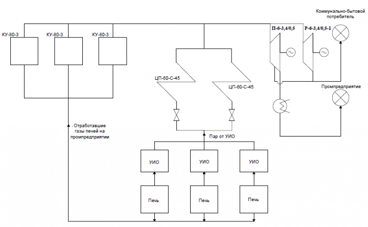
Целью проекта является быстрое, а главное качественное выполнение любых чертежей: машиностроение, гражданское и промышленное строительство, архитектура, простая оцифровка чертежа и т.д.. В нашем штате, помимо меня и моей любимой жены, работают еще два исполнителя. Мы всегда сможем Вам помочь в вопросах чертежей !

Соболев П.
Соболева Д.
https://dwg-master.ru/
https://vk.com/dwg_master