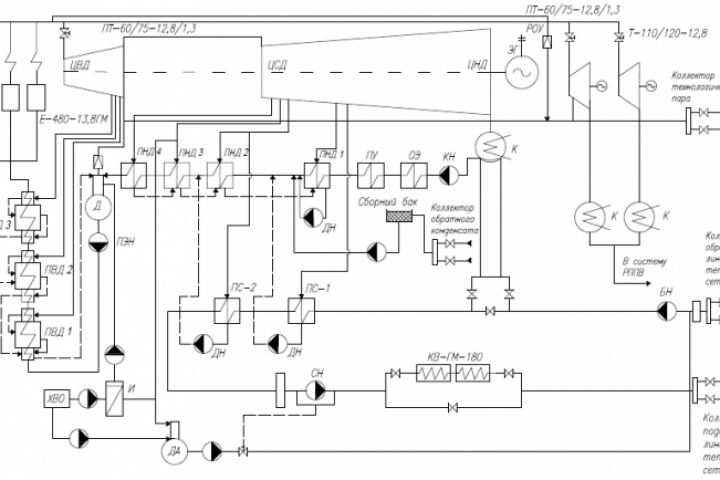
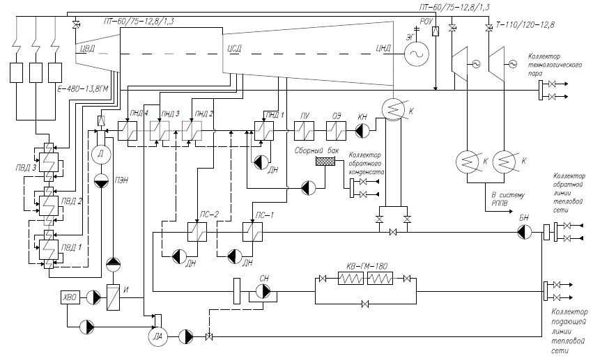
Тепловая схема ТЭЦ
Для полной функциональности этого сайта необходимо включить JavaScript.
Санкт-Петербург
Ответственность и исполнительность
Павел Соболев
dwgmaster
Рейтинг: 82
не верифицирован
Всего отзывов:
0
Работ в портфолио:
12
Типовых услуг:
0
Работ на продажу:
0
Возраст:
29 лет
Зарегистрирован:
31.03.2021
Был на сайте:
2022-04-22 в 00:33
inbox
telegram
dwg-master.ru
Вконтакте
Предложить работу
Добавить в избранное
Добавить рекомендацию
Пожаловаться
Инженерия
320
1
Тепловая схема ТЭЦ
Используемые навыки:
Теплоснабжение/Отопление/Вентиляция
Описание
Решение
Результат
Соавторы
Презентация проекта
Примеры реализации
Описание
Работа выполнена в AutoCAD.
Презентация проекта
Оценили проект:
1
×
Оценили проект
×
Авторизация
Для того чтобы оценивать проекты, вам нужно войти на сайт
Другие проекты
Все проекты
Продольный разрез холодильного поршневого компрессора
Планировка
Поперечный разрез холодильного поршневого компрессора
FREELANCE.RU
Toggle navigation
Нанять фрилансера
Заказчику
Найти по специализации
Найти по услугам
Провести конкурс
Разместить задание
Виртуальный HR
Найти студию
Другое
Найти работу
Фрилансеру
Найти задание
Присоединиться к команде
Участвовать в конкурсе
Предложить услугу
Другое
Возможности
Для заказчика
Для фрилансера
Вход
Разместить задание
▲