Ответственность и исполнительность

Павел Соболев dwgmaster

Рейтинг: 82
не верифицирован
Всего отзывов: 0
  • Работ в портфолио: 12
  • Типовых услуг: 0
  • Работ на продажу: 0
  • Возраст: 29 лет
  • Зарегистрирован: 31.03.2021
Был на сайте:

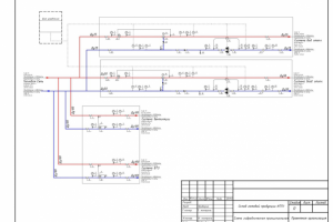
Принципиальная гидравлическая схема теплового пункта

Описание

Работа выполнена в AutoCAD. На рисунке представлена схема индивидуального теплового пункта.

Презентация проекта

pic4094852.jpg

Оценили проект:

0