Рейтинг: 2 053
Верифицирован через Сбер ID
Всего отзывов: 0
Выполнил заданий: 2
  • Надежность: Использовал: Работал по Безопасной сделке
  • Работ в портфолио: 5
  • Типовых услуг: 1
  • Работ на продажу: 1
  • Стаж работы: 20 лет
  • Зарегистрирован: 30.01.2026
  • Образование: Cпециалитет
Был на сайте:

Cпециализации

  • Инженерия 27
  • Обучение и Образование

Обо мне

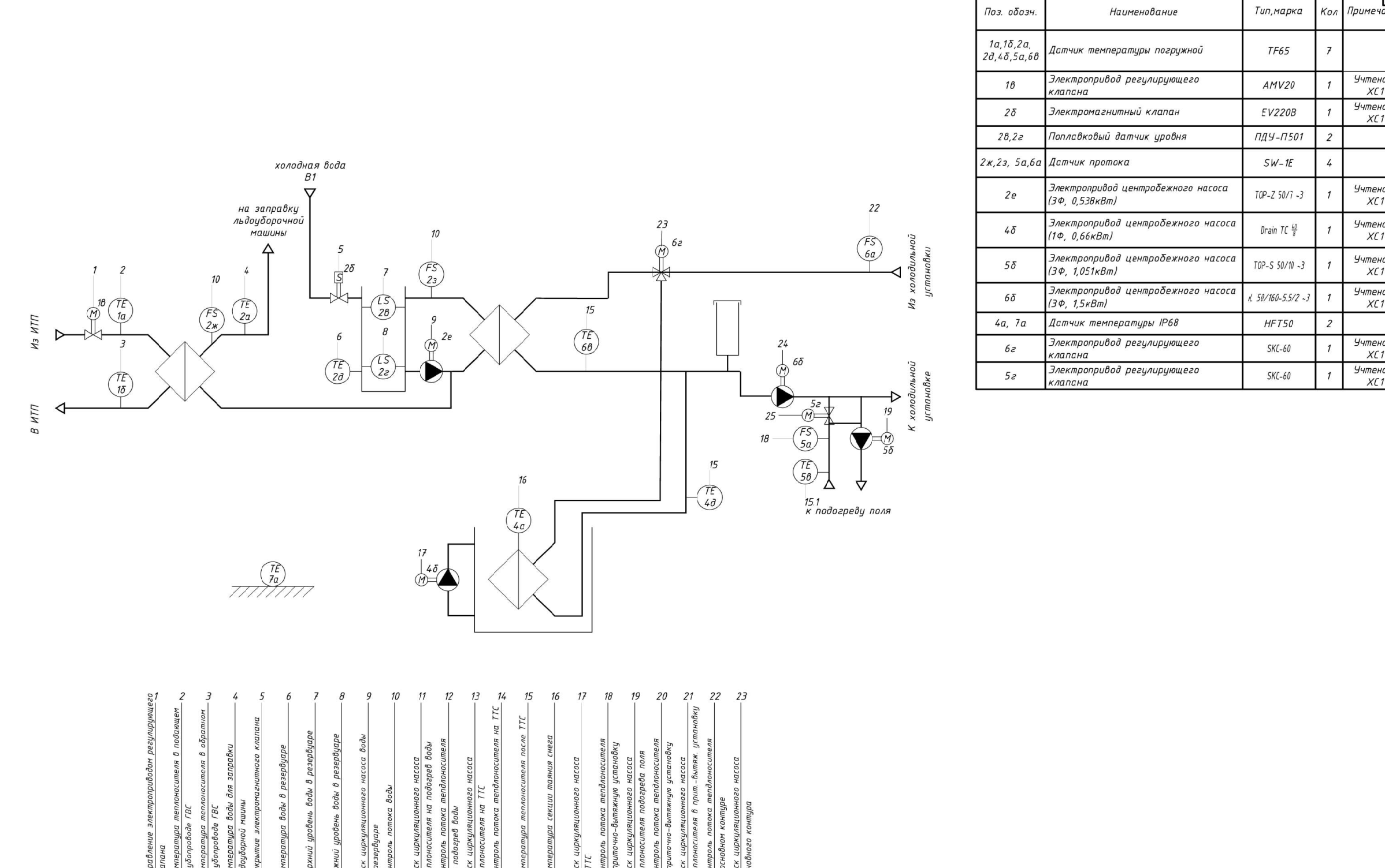
Инженер-проектировщик АСУ инженерных систем (ОВиК/ИТП/ХС). Разрабатываю проектную и рабочую документацию по автоматизации: от ТЗ и концепции до комплектов чертежей, спецификаций и ведомостей сигналов. Делаю так, чтобы по документации можно было реально собрать щит, смонтировать, подключить и запустить систему без «угадайки».

Что беру в работу

Стадии П/Р, разделы АК/АОВ/АСУ (по задаче).

Приточно-вытяжные установки, насосные группы, ИТП, чиллеры/ККБ, фанкойлы, завесы, узлы учёта, блокировки ПП.

Увязка с ОВ/ЭОМ/КИПиА, задания смежникам.

Что вы получите

Функциональные схемы автоматизации, принципиальные и монтажные схемы, схемы подключений.

Планы размещения оборудования/датчиков/кабельных трасс (в рамках раздела).

Спецификации, кабельный журнал, перечень оборудования и материалов.

Ведомость сигналов I/O, список датчиков и исполнительных механизмов.

Описание алгоритмов/логики, уставки и режимы (если требуется).

Поддержка на согласованиях и ответы для монтажа/пусконаладки.

Как работаю

Быстро разбираю исходные данные и задаю вопросы по делу.

Фиксирую решения, чтобы избежать переделок на стройке.

Сдаю комплект поэтапно: схема → согласование → детализация → выпуск.

Формат
Удалённо, по договорённости возможен выезд. Могу подключиться точечно (аудит/доработка/отдельный комплект) или вести проект «под ключ».

AI Резюме (ru)