Рейтинг: 2 054
Верифицирован через Сбер ID
Всего отзывов: 0
Выполнил заданий: 2
  • Надежность: Использовал: Работал по Безопасной сделке
  • Работ в портфолио: 5
  • Типовых услуг: 1
  • Работ на продажу: 1
  • Стаж работы: 20 лет
  • Зарегистрирован: 30.01.2026
  • Образование: Cпециалитет
Был на сайте:

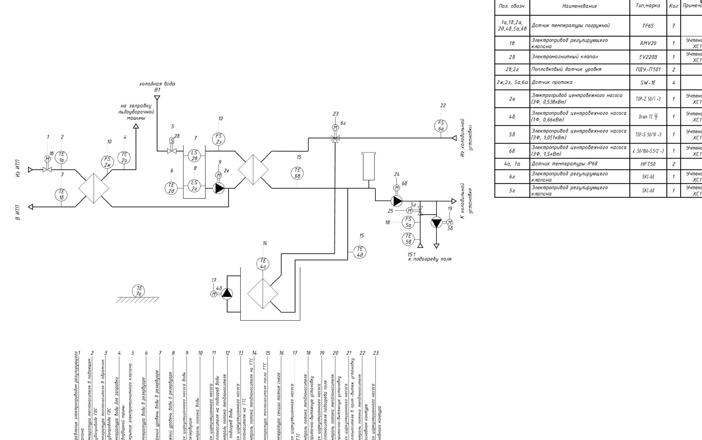
Разработка проектной и рабочей документации инженерных систем (АОВ, АХС, ДИС и тд)

Описание

Разработка разделов АОВ, АХС, ДИС и тд
Постановка задач и определение требований к системе автоматизации и диспетчеризации. Производится технико-экономическое обоснование необходимости разработки системы автоматизации, определяются нужные функции.

Решение

Также проводится обследование объекта (при необходимости). Выполнялась проработка предварительных решений, разрабатывается основная концепция системы управления в соответствии с государственными стандартами, определяется функциональность. Разработка проектных решений автоматизированных систем, подбирается оборудование, выдаются задания по смежным разделам автоматизированных систем.

Результат

Пояснительная записка, спецификации оборудования, а также необходимые схемы и чертежи.

Презентация проекта

Снимок экрана 2026-02-04 225133.png
Снимок экрана 2026-02-04 225215.png
Снимок экрана 2026-02-04 225242.png
Снимок экрана 2026-02-04 225306.png
Снимок экрана 2026-02-04 225519.png

Оценили проект:

0