Здание административно-бытового комплекса на промпредприятии
Проект систем ОВиК здания ТЭС с пристроенным АБК
Проектирование систем ОВиК торгового центра
Проект газопровода до границы земельного участка с бестраншейной прокладкой газопровода через автомобильную дорогу(использование наклонно-направленного бурения)
Проект системы газопотребления жилого дома и бани с установкой газо-горелочного устройства
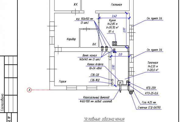
Проектирование системы газопотребления жилого дома
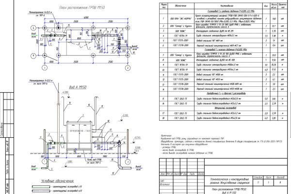
Проект газопровода до границы земельного участка с установкой ГРПШ
Проект системы газопотребления с установкой котлов в каскад
Проект ОВиК в Revit, AutoCAD
Проект ГСН, ГСВ жилых домов