Работа 4067547
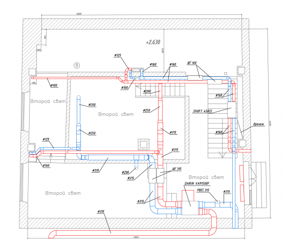
3-D Проект ОВиК оздоровительно-физкультурного комплекса
Проект ВК загородного дома
3D проект ВиК салона красоты в г. Москва
3D проект ВиК загородного дома
Проект ОВ загородного дома