Рейтинг: 65
не верифицирован
Всего отзывов: 0
  • Работ в портфолио: 5
  • Типовых услуг: 0
  • Работ на продажу: 0
Была на сайте:

Cпециализации

  • Инженерия 1204
  • 3D графика

Обо мне

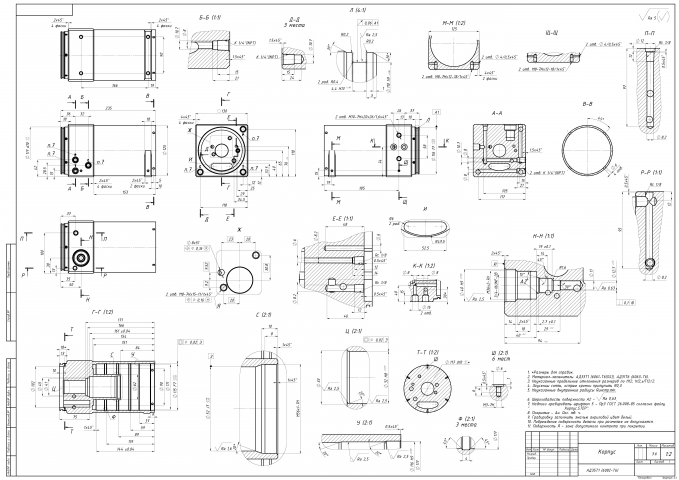
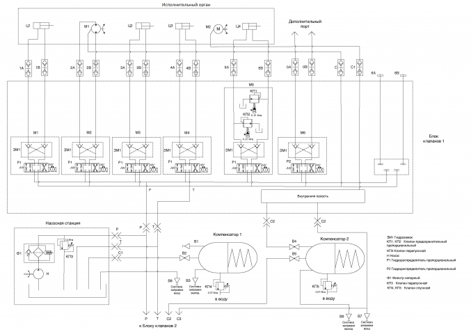
Инженер-конструктор с опытом работы 7 лет. Имеется обширный опыт проектирования в машиностроении и робототехники, такой как проектирование корпусов для различных приборов и электроники, корпусов для гидравлических систем и отдельных элементов (клапанные коробки и насосные станции сложной конфигурации), и приспособлений для производства. Оформление документации по ЕСКД, так же имеется опыт оформления по ЕСКД схем электрических Э3, Э4, Э5, Э6 и гидравлических. Знание ЕСКД, ГОСТ.