Рейтинг: 65
не верифицирован
Всего отзывов: 0
  • Работ в портфолио: 5
  • Типовых услуг: 0
  • Работ на продажу: 0
Была на сайте:

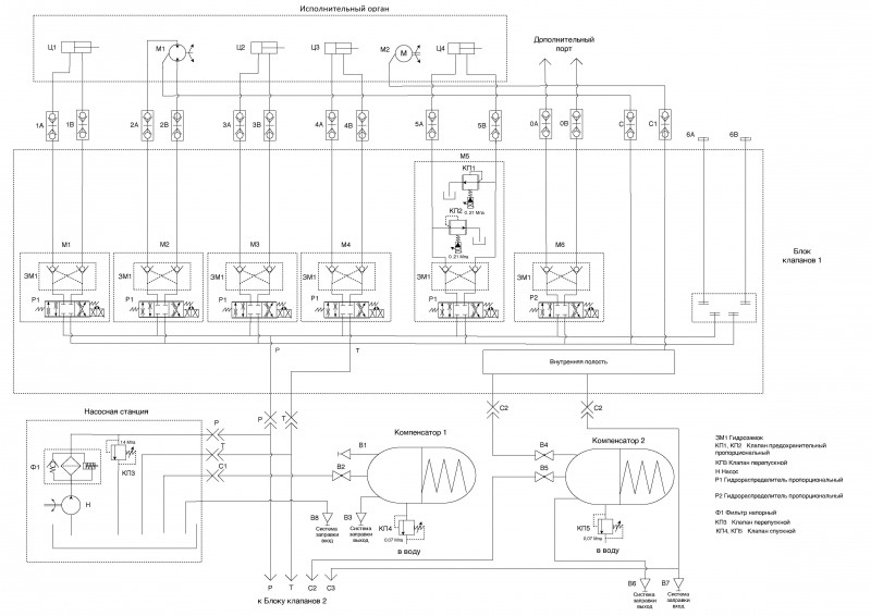
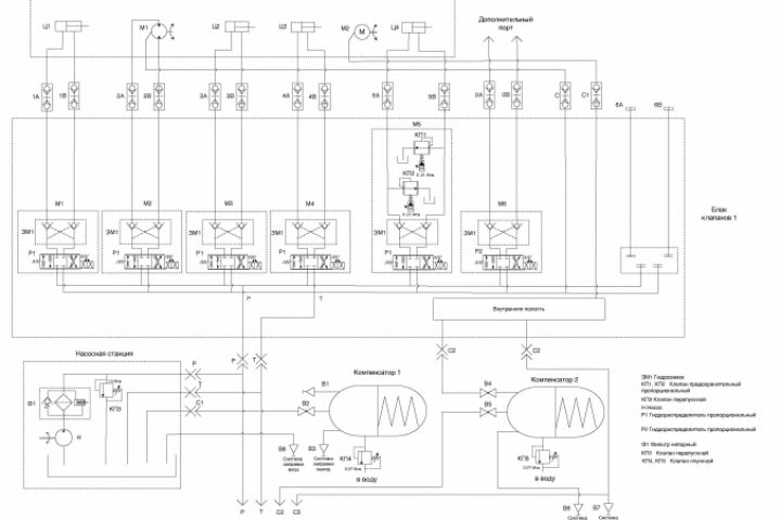
Гидравлическая схема

Используемые навыки:

Описание

Гидравлическая схема системы, выполненная по ГОСТ.

Презентация проекта

pic4284141.jpg

Оценили проект:

0