Рейтинг: 88
не верифицирован
Всего отзывов: 2 0
Выполнил заданий: 4
  • Работ в портфолио: 8
  • Типовых услуг: 0
  • Работ на продажу: 0
  • Возраст: 50 лет
  • Зарегистрирован: 06.08.2021
Был на сайте:

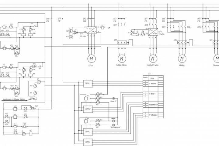
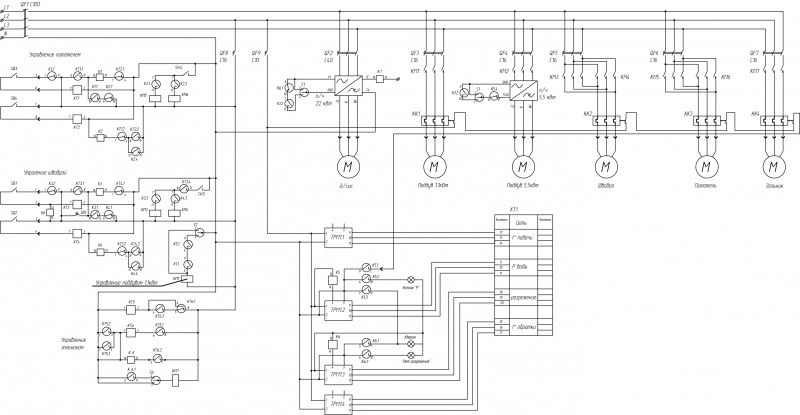
Схема Э3 котельной

Используемые навыки:

Описание

Схема электрооборудования угольной котельной.

Презентация проекта

pic4179563.jpg

Оценили проект:

0