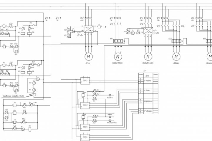
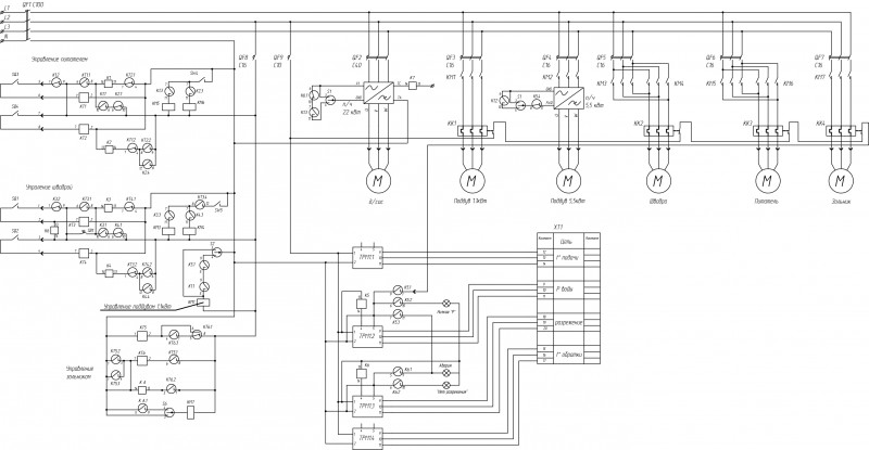
Схема Э3 котельной
Для полной функциональности этого сайта необходимо включить JavaScript.
Москва
Via est vita
Dmitry Vasiljev
dmitryvasiljev
Рейтинг: 88
не верифицирован
Всего отзывов:
2
0
Выполнил заданий:
4
Работ в портфолио:
8
Типовых услуг:
0
Работ на продажу:
0
Возраст:
50 лет
Зарегистрирован:
06.08.2021
Был на сайте:
2022-03-26 в 16:17
inbox
telegram
dmitryvasiljev@yahoo.com
masterr.ucoz.net
Предложить работу
Добавить в избранное
Добавить рекомендацию
Пожаловаться
Инженерия
100
0
Схема Э3 котельной
Описание
Решение
Результат
Соавторы
Презентация проекта
Примеры реализации
Описание
Презентация проекта
Оценили проект:
0
×
Оценили проект
×
Авторизация
Для того чтобы оценивать проекты, вам нужно войти на сайт
Другие проекты
Все проекты
Проект НВК
Проект НВК
Детали промоборудования
FREELANCE.RU
Toggle navigation
Нанять фрилансера
Заказчику
Каталог фрилансеров
Каталог PRO
Каталог студий
Каталог услуг
Каталог работ
Виртуальный HR
Умный поиск
Провести конкурс
Разместить задание
Найти работу
Найти задание
Присоединиться к команде
Участвовать в конкурсе
Предложить услугу
Вход
Разместить задание
▲