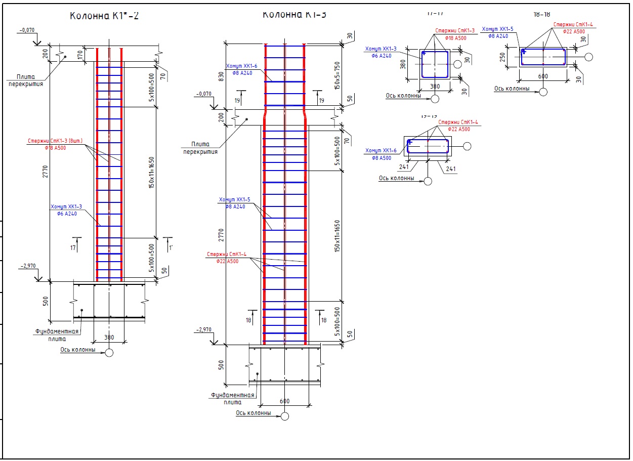
Трехэтажный жилой дом с подземной парковкой
Для полной функциональности этого сайта необходимо включить JavaScript.
Ульяновск
37 лет
На сайте с: 07.07.2014
Самое главное - не экономить на фундаменте и крыше!
Андрей Ерастов
erikbond
Рейтинг: 93
не верифицирован
Всего отзывов:
0
Нейросаммари
Работ в портфолио:
23
Типовых услуг:
0
Работ на продажу:
0
Был на сайте:
2026-01-08 в 03:16
inbox
erikbond@bk.ru
Вконтакте
Предложить работу
Добавить в избранное
Добавить рекомендацию
Пожаловаться
Инженерия
137
0
Трехэтажный жилой дом с подземной парковкой
Используемые навыки:
Проектирование объектов
Описание
Решение
Результат
Соавторы
Презентация проекта
Примеры реализации
Описание
Презентация проекта
Оценили проект:
0
×
Оценили проект
×
Авторизация
Для того чтобы оценивать проекты, вам нужно войти на сайт
Другие проекты
Все проекты
Рекламная конструкция под TV
Епархиальное управление при соборе (стропильная система)
Детальная баня из бруса в REVIT
FREELANCE.RU
Toggle navigation
Нанять фрилансера
Заказчику
Найти по специализации
Найти по услугам
Провести конкурс
Разместить задание
Другое
Найти работу
Фрилансеру
Найти задание
Присоединиться к команде
Участвовать в конкурсе
Другое
Возможности
Для заказчика
Для фрилансера
Вход
Разместить задание
▲