Полнота проектной документации = полнота исходных данных.

Константин Струпеховский ELSP

Рейтинг: 108
не верифицирован
Всего отзывов: 3 0
  • Работ в портфолио: 23
  • Типовых услуг: 0
  • Работ на продажу: 0
  • Возраст: 49 лет
  • Зарегистрирован: 17.12.2012
Был на сайте:

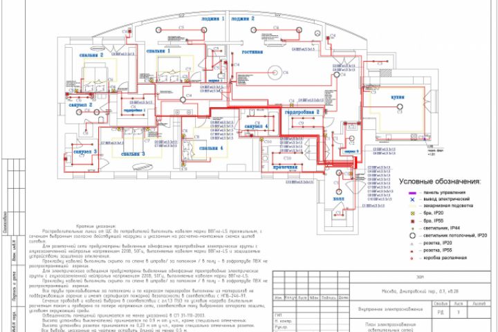
Внутреннее электроснабжение квартиры с "умным" светом

Используемые навыки:

Описание

Проект электроснабжения квартиры с применением системы "умный дом" в части освещения.
Выполнен в течении 5 дней.

Презентация проекта

pic3715924.jpg

Оценили проект:

0