Рейтинг: 141
не верифицирован
Всего отзывов: 0
  • Работ в портфолио: 22
  • Типовых услуг: 0
  • Работ на продажу: 0
Был на сайте:

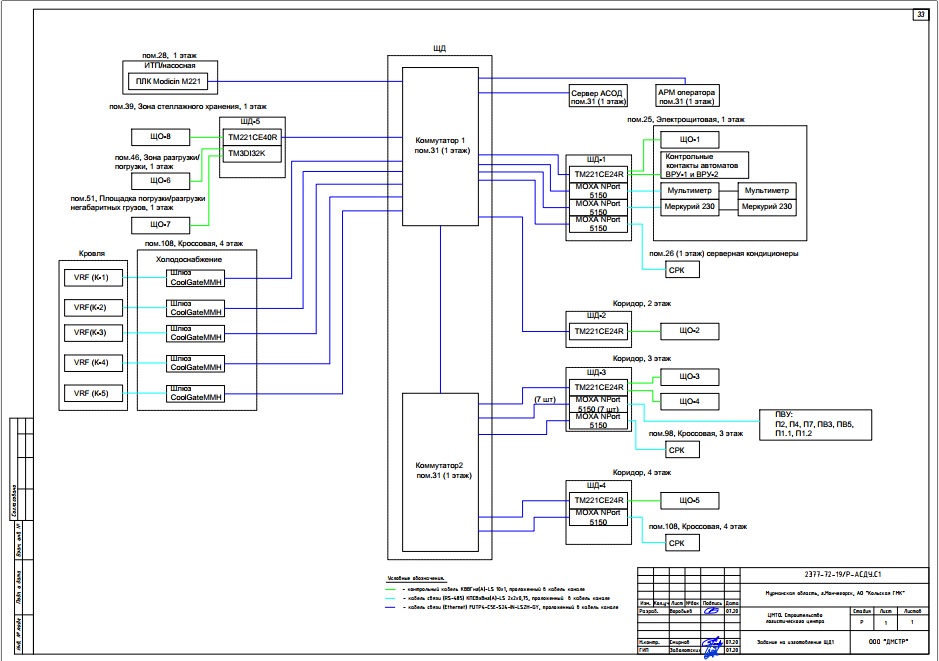
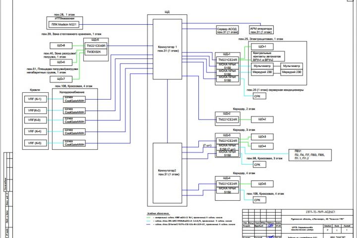
Кольская ГМК. АСДУ логистического центра

Описание

Разработка проектной документации
Разработка рабочей документации.

Презентация проекта

КГМК.jpg

Оценили проект:

0