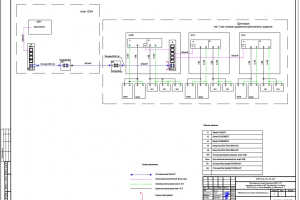
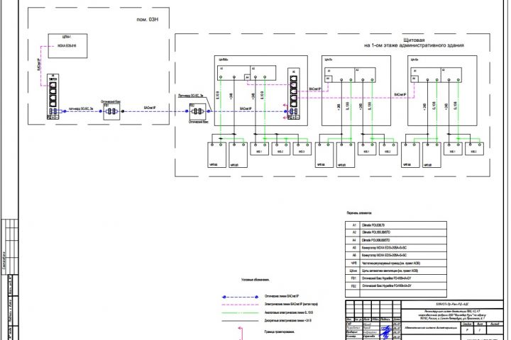
Юнилевер. АСД энергохозяйства
Для полной функциональности этого сайта необходимо включить JavaScript.
На сайте с: 02.05.2025
Валерий Воробьев
vorobyevv
Рейтинг: 141
не верифицирован
Всего отзывов:
0
Работ в портфолио:
22
Типовых услуг:
0
Работ на продажу:
0
Был на сайте:
2025-07-23 в 08:55
inbox
Предложить работу
Добавить в избранное
Добавить рекомендацию
Пожаловаться
Инженерия
38
0
Юнилевер. АСД энергохозяйства
Описание
Решение
Результат
Соавторы
Презентация проекта
Примеры реализации
Описание
Разработка рабочей документации
Презентация проекта
Оценили проект:
0
×
Оценили проект
×
Авторизация
Для того чтобы оценивать проекты, вам нужно войти на сайт
Другие проекты
Все проекты
Афипский НПЗ. АДИС энергохозяйства складов
ГК «ПИК». Автоматизация газового хозяйства производственного комплекса
Агрокомплекс «Иванисово». АСДУ систем вентиляции
FREELANCE.RU
Toggle navigation
Нанять фрилансера
Заказчику
Найти по специализации
Найти по услугам
Провести конкурс
Разместить задание
Виртуальный HR
Другое
Найти работу
Фрилансеру
Найти задание
Присоединиться к команде
Участвовать в конкурсе
Предложить услугу
Другое
Возможности
Для заказчика
Для фрилансера
Вход
Разместить задание
▲