Рейтинг: 141
не верифицирован
Всего отзывов: 0
  • Работ в портфолио: 22
  • Типовых услуг: 0
  • Работ на продажу: 0
Был на сайте:

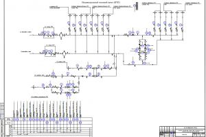
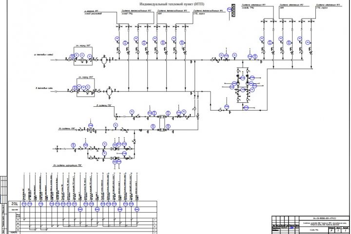
Афипский НПЗ. Автоматизация ИТП

Описание

Разработка проектной документации
Разработка рабочей документации

Презентация проекта

АНПЗ2.jpg

Оценили проект:

0