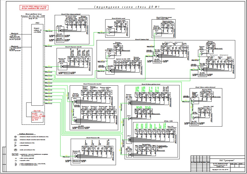
АО «Тулачермет». Сети связи и сигнализации
Для полной функциональности этого сайта необходимо включить JavaScript.
На сайте с: 02.05.2025
Валерий Воробьев
vorobyevv
Рейтинг: 141
не верифицирован
Всего отзывов:
0
Работ в портфолио:
22
Типовых услуг:
0
Работ на продажу:
0
Был на сайте:
2025-07-23 в 08:55
inbox
Предложить работу
Добавить в избранное
Добавить рекомендацию
Пожаловаться
Инженерия
87
0
АО «Тулачермет». Сети связи и сигнализации
Описание
Решение
Результат
Соавторы
Презентация проекта
Примеры реализации
Описание
Разработка рабочей документации
Презентация проекта
Оценили проект:
0
×
Оценили проект
×
Авторизация
Для того чтобы оценивать проекты, вам нужно войти на сайт
Другие проекты
Все проекты
Агрокомплекс «Иванисово». Автоматизация системы холодоснабжения
Автоматизация доочистки доменных газов
АО «Химпэк». Система сбора данных и диспетчеризации технологического о...
FREELANCE.RU
Toggle navigation
Нанять фрилансера
Заказчику
Найти по специализации
Найти по услугам
Провести конкурс
Разместить задание
Виртуальный HR
Другое
Найти работу
Фрилансеру
Найти задание
Присоединиться к команде
Участвовать в конкурсе
Предложить услугу
Другое
Возможности
Для заказчика
Для фрилансера
Вход
Разместить задание
▲