Рейтинг: 329
не верифицирован
Всего отзывов: 0
Выполнил заданий: 1
  • Активность:
  • Работ в портфолио: 19
  • Типовых услуг: 0
  • Работ на продажу: 0
  • Возраст: 29 лет
  • Зарегистрирован: 10.05.2022
Был на сайте:

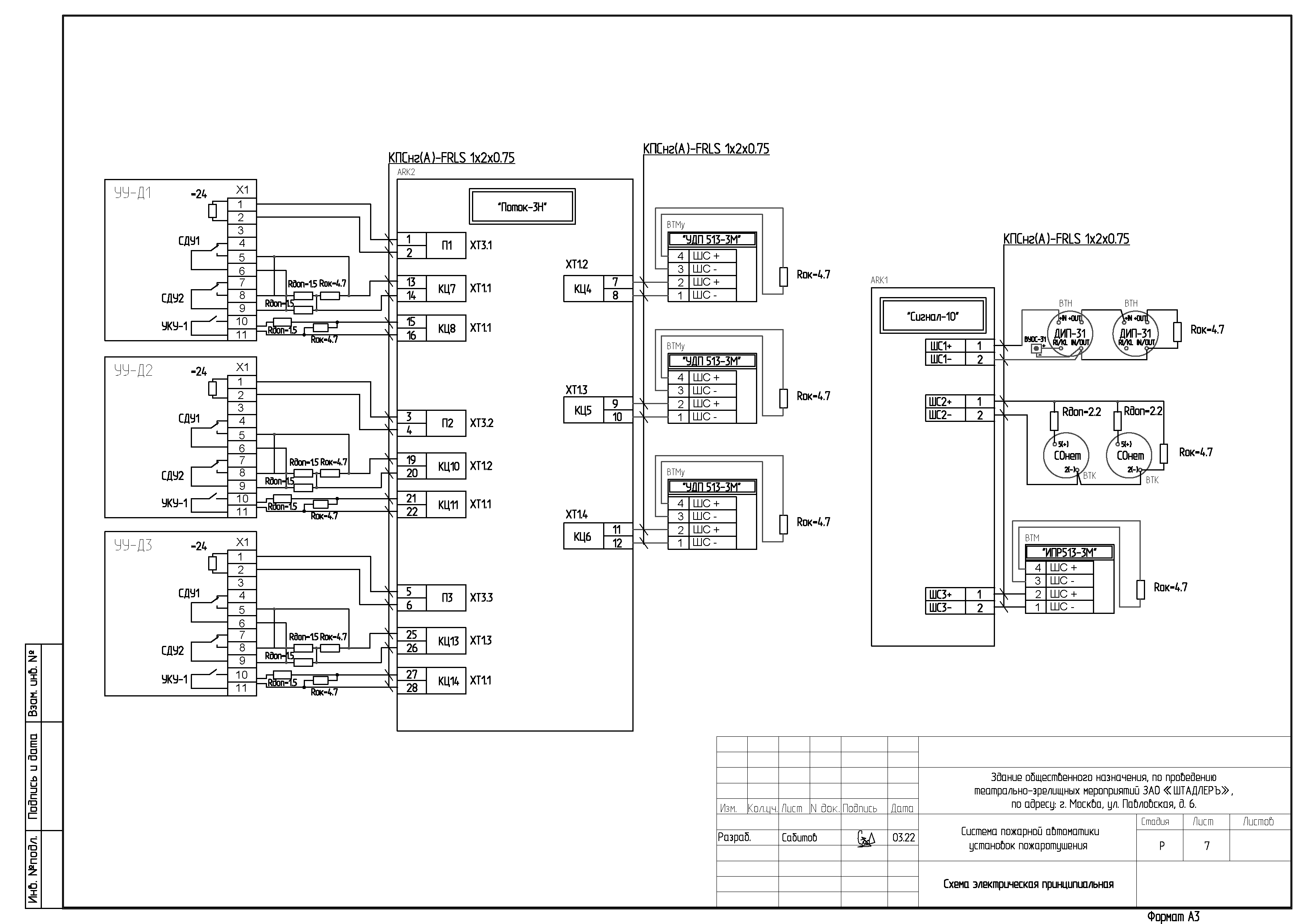
Проект системы пожарной автоматики установок пожаротушения

Используемые навыки:

Описание

В проекте используется неадресная система пожарной сигнализации, предусмотрено управление существующими дренчерными узлами

Презентация проекта

pic4289119.jpg
Схема структурная.png
План средств автоматизации.png
Схема электрическая принципиальная.png

Оценили проект:

0