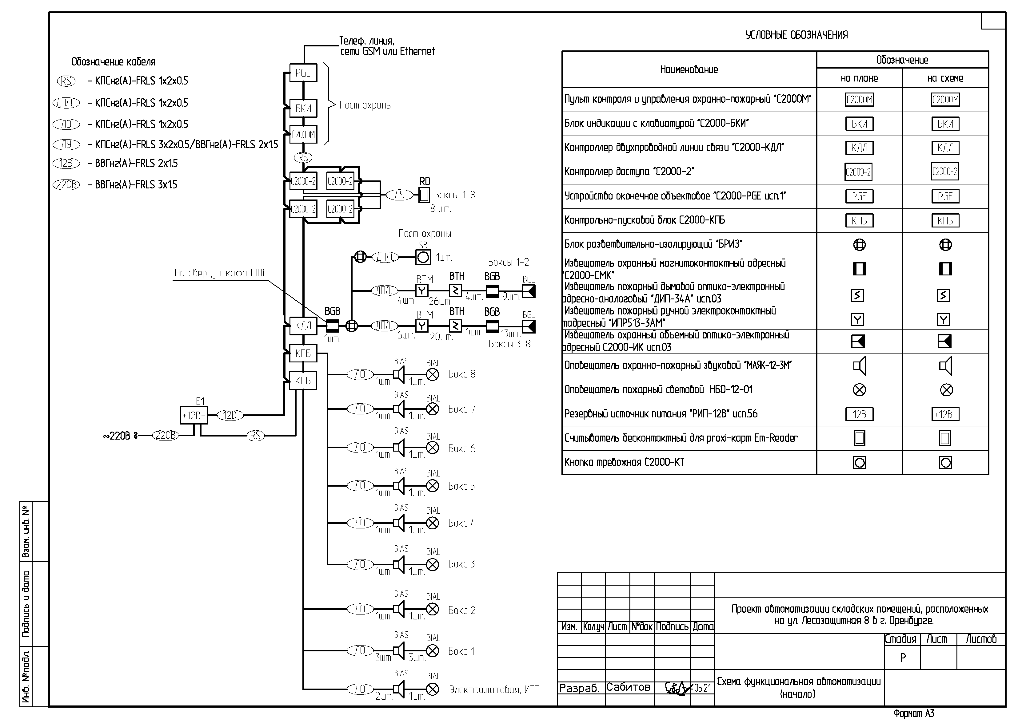
Проект системы охранной сигнализации складских помещений
Для полной функциональности этого сайта необходимо включить JavaScript.
Оренбург
Руслан Сабитов
sabrm
Рейтинг: 329
не верифицирован
Всего отзывов:
0
Выполнил заданий:
1
Нейросаммари
Активность:
Работ в портфолио:
19
Типовых услуг:
0
Работ на продажу:
0
Возраст:
30 лет
Зарегистрирован:
10.05.2022
Был на сайте:
2025-02-26 в 19:14
89058485667
inbox
telegram
whatsapp
sabitovrm96@gmail.com
Вконтакте
Предложить работу
Добавить в избранное
Добавить рекомендацию
Пожаловаться
Инженерия
71
0
Проект системы охранной сигнализации складских помещений
Используемые навыки:
Слаботочные системы
Описание
Решение
Результат
Соавторы
Презентация проекта
Примеры реализации
Описание
Проект СОТС
Презентация проекта
Оценили проект:
0
×
Оценили проект
×
Авторизация
Для того чтобы оценивать проекты, вам нужно войти на сайт
Другие проекты
Все проекты
Проект электроснабжения жилого дома
Проект электроснабжения колледжа
Проект электроснабжения квартиры (Revit)
FREELANCE.RU
Toggle navigation
Нанять фрилансера
Заказчику
Каталог фрилансеров
Каталог PRO
Каталог студий
Каталог услуг
Каталог работ
Виртуальный HR
Умный поиск
Провести конкурс
Разместить задание
Найти работу
Найти задание
Присоединиться к команде
Участвовать в конкурсе
Предложить услугу
Вход
Разместить задание
▲