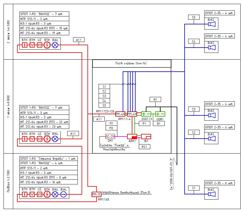
Проектирование системы пожарной сигнализации
Для полной функциональности этого сайта необходимо включить JavaScript.
Саратов
41 год
На сайте с: 31.01.2019
Борис Романов
ray34
Рейтинг: 68
не верифицирован
Всего отзывов:
0
Работ в портфолио:
8
Типовых услуг:
0
Работ на продажу:
0
Был на сайте:
2019-10-15 в 21:30
inbox
Предложить работу
Добавить в избранное
Добавить рекомендацию
Пожаловаться
Инженерия
12
0
Проектирование системы пожарной сигнализации
Используемые навыки:
Слаботочные системы
Описание
Решение
Результат
Соавторы
Презентация проекта
Примеры реализации
Описание
Презентация проекта
Оценили проект:
0
×
Оценили проект
×
Авторизация
Для того чтобы оценивать проекты, вам нужно войти на сайт
Другие проекты
Все проекты
Проект системы оповещения и управления эвакуацией
Проект системы автоматического пожаротушения
Проект системы пожарной сигнализации BIM (Revit)
FREELANCE.RU
Toggle navigation
Нанять фрилансера
Заказчику
Найти по специализации
Найти по услугам
Провести конкурс
Разместить задание
Виртуальный HR
Другое
Найти работу
Фрилансеру
Найти задание
Присоединиться к команде
Участвовать в конкурсе
Предложить услугу
Другое
Возможности
Для заказчика
Для фрилансера
Вход
Разместить задание
▲