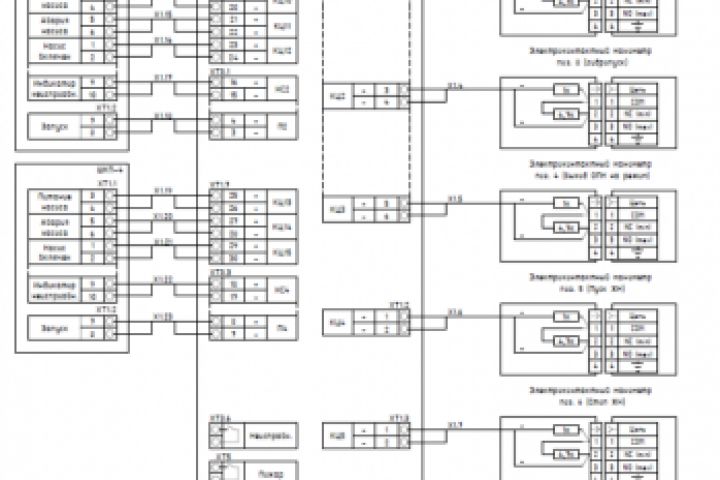
Проект автоматизации системы водяного пожаротушения
Для полной функциональности этого сайта необходимо включить JavaScript.
Саратов
41 год
На сайте с: 31.01.2019
Борис Романов
ray34
Рейтинг: 68
не верифицирован
Всего отзывов:
0
Работ в портфолио:
8
Типовых услуг:
0
Работ на продажу:
0
Был на сайте:
2019-10-15 в 21:30
inbox
Предложить работу
Добавить в избранное
Добавить рекомендацию
Пожаловаться
Инженерия
21
0
Проект автоматизации системы водяного пожаротушения
Используемые навыки:
Слаботочные системы
Описание
Решение
Результат
Соавторы
Презентация проекта
Примеры реализации
Описание
Презентация проекта
Оценили проект:
0
×
Оценили проект
×
Авторизация
Для того чтобы оценивать проекты, вам нужно войти на сайт
Другие проекты
Все проекты
Проект системы пожарной сигнализации BIM (Revit)
Проект системы оповещения и управления эвакуацией
Проект системы контроля и управления досупом
FREELANCE.RU
Toggle navigation
Нанять фрилансера
Заказчику
Найти по специализации
Найти по услугам
Провести конкурс
Разместить задание
Виртуальный HR
Другое
Найти работу
Фрилансеру
Найти задание
Присоединиться к команде
Участвовать в конкурсе
Предложить услугу
Другое
Возможности
Для заказчика
Для фрилансера
Вход
Разместить задание
▲