Рейтинг: 68
не верифицирован
Всего отзывов: 0
  • Работ в портфолио: 8
  • Типовых услуг: 0
  • Работ на продажу: 0
Был на сайте:

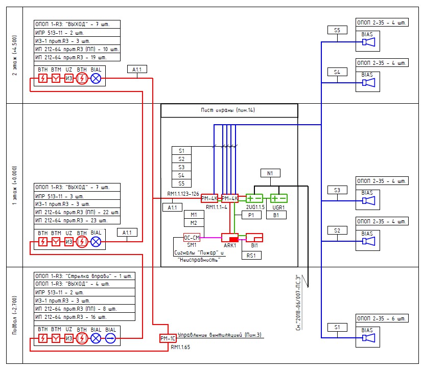
Проектирование системы пожарной сигнализации

Описание

Проект пожарной сигнализации и системы оповещения о пожаре на базе оборудования тм. Рубеж.

Презентация проекта

pic3606070.jpg

Оценили проект:

0