Юлия Игнатова - Инженерия - julalex
Для полной функциональности этого сайта необходимо включить JavaScript.
На сайте с: 09.06.2022
Юлия Игнатова
julalex
Рейтинг: 22
не верифицирован
Всего отзывов:
0
Работ в портфолио:
2
Типовых услуг:
0
Работ на продажу:
0
Был на сайте:
2022-06-09 в 12:22
inbox
Предложить работу
Добавить в избранное
Добавить рекомендацию
Пожаловаться
Портфолио
2
Cпециализации
Инженерия
2850
Дизайн пространства
Навыки
Изготовление мебели
Чертежи/Схемы
Проекты в портфолио
Инженерия
Дизайн пространства
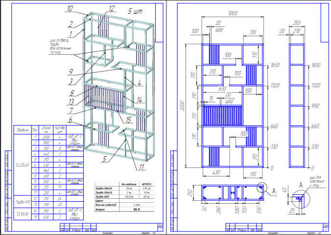
Стеллаж в стиле LOFT.
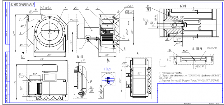
Вентилятор радиальный. Сборочный чертеж.
Все портфолио (2)
FREELANCE.RU
Toggle navigation
Нанять фрилансера
Заказчику
Найти по специализации
Найти по услугам
Провести конкурс
Разместить задание
Другое
Найти работу
Фрилансеру
Найти задание
Присоединиться к команде
Участвовать в конкурсе
Другое
Возможности
Для заказчика
Для фрилансера
Вход
Разместить задание
▲