Ультразвуковой апликатор крышки для автомата розлива в Pure Pak
Автомат розлива молока в полиэтиленовые пакеты
Звездочка мальтийского механизма
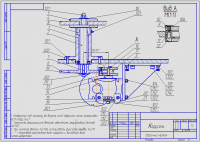
Сборочный чертеж привода