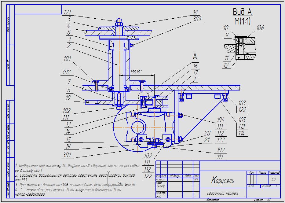
Сборочный чертеж привода
Для полной функциональности этого сайта необходимо включить JavaScript.
Ессентуки
На сайте с: 16.06.2016
Александр Игнатенко
AleksanrIgnatenko
Рейтинг: 34
не верифицирован
Всего отзывов:
0
Работ в портфолио:
4
Типовых услуг:
0
Работ на продажу:
0
Был на сайте:
2016-12-05 в 13:00
inbox
Предложить работу
Добавить в избранное
Добавить рекомендацию
Пожаловаться
Инженерия
27
0
Сборочный чертеж привода
Используемые навыки:
Чертежи/Схемы
Описание
Решение
Результат
Соавторы
Презентация проекта
Примеры реализации
Описание
Основан на мальтийском кресте.
Презентация проекта
Оценили проект:
0
×
Оценили проект
×
Авторизация
Для того чтобы оценивать проекты, вам нужно войти на сайт
Другие проекты
Все проекты
Звездочка мальтийского механизма
Ультразвуковой апликатор крышки для автомата розлива в Pure Pak
Автомат розлива молока в полиэтиленовые пакеты
FREELANCE.RU
Toggle navigation
Нанять фрилансера
Заказчику
Найти по специализации
Найти по услугам
Провести конкурс
Разместить задание
Виртуальный HR
Другое
Найти работу
Фрилансеру
Найти задание
Присоединиться к команде
Участвовать в конкурсе
Предложить услугу
Другое
Возможности
Для заказчика
Для фрилансера
Вход
Разместить задание
▲