Не люблю не законченных дел.

Андрей Босенко Tamerlan92

Рейтинг: 139
не верифицирован
Всего отзывов: 3 0
Выполнил заданий: 4
  • Активность:
  • Работ в портфолио: 24
  • Типовых услуг: 0
  • Работ на продажу: 0
  • Зарегистрирован: 12.06.2015
Был на сайте:

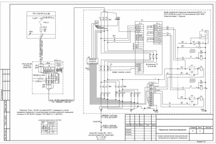
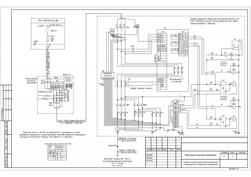
Однолинейная схема подключения наружного освещения

Используемые навыки:

Описание

Принципиальная (однолинейная) схема питающей сети наружного освещения разел (ЭН).

Презентация проекта

pic3170299.jpg

Оценили проект:

0