Не люблю не законченных дел.

Андрей Босенко Tamerlan92

Рейтинг: 139
не верифицирован
Всего отзывов: 3 0
Выполнил заданий: 4
  • Активность:
  • Работ в портфолио: 24
  • Типовых услуг: 0
  • Работ на продажу: 0
  • Зарегистрирован: 12.06.2015
Был на сайте:

Обо мне

Здравствуйте! Большое спасибо за уделённое время.

Моя специализация - инженер-электрик/светотехник. Должность - инженер-проектировщик. Опыт работы - более 3-х лет.

Занимаюсь проектированием и расчетом сетей наружнего электроснабжения (комплект р.д. ЭС), наружного освещения (комплект р.д. ЭН). Выполненяю рабочую документацию (РД) внутренних сетей электрического освещения и силового электрооборудования предприятий, зданий и сооружений различного назначения (марки ЭО, ЭМ).
Выполняю светотехнические и электротехнические расчеты для внутреннего освещения, освещением дорог, спортивных сооружений, ландшафтов и парков в специализированых программах.
Моделирую дизайнерское освещение архитектурной среды (архитектурную подсветку помещений, зданий и сооружений).

Програмное обеспечение, которое использую: DIALux, Light in Night Road, AutoCAD, DIALux Evo, SPlan, MS Visio.

Узнать детальную информацию или задать мне вопрос, Вы можете по контактным данным:

e-mail: Bosenko.work@gmail.com
skype: Tamerlan19922
https://vk.com/bosenko92
viber: +380665181522

Консультация по построению сети электроснабжения

После консультации больше вопросов не осталось. Система э\э и свет

Фадеев Максим
28.10.2017
выбрать шкафы

Сделал работу в срок. Замечания устранил.

Сергей Савельев
18.08.2017
По имеющимся чертежам и фотографиям нарисовать однолинейную схему электрики

В целом: быстро и хорошо реагирует на просьбы. Выполнил работу в сроки что радует. По качеству есть замечания, но у меня не было…

Алексей
21.06.2015

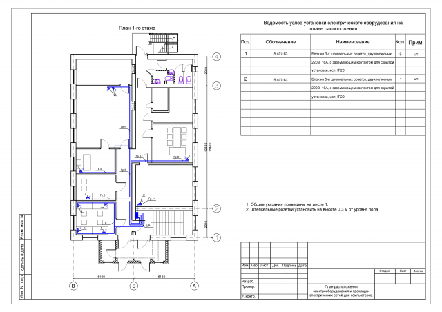
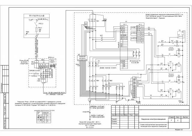
Проекты в портфолио