Работа 2617338
Для полной функциональности этого сайта необходимо включить JavaScript.
Санкт-Петербург
Виталий
Vetal_BL
Рейтинг: 95
не верифицирован
Всего отзывов:
0
Активность:
Работ в портфолио:
25
Типовых услуг:
0
Работ на продажу:
0
Зарегистрирован:
21.11.2012
Был на сайте:
2021-07-18 в 10:38
+7 905 201 87 49
inbox
blinkov_va@mail.ru
Предложить работу
Добавить в избранное
Добавить рекомендацию
Пожаловаться
Инженерия
16
0
Работа 2617338
Используемые навыки:
Слаботочные системы
Описание
Решение
Результат
Соавторы
Презентация проекта
Примеры реализации
Описание
Презентация проекта
Оценили проект:
0
×
Оценили проект
×
Авторизация
Для того чтобы оценивать проекты, вам нужно войти на сайт
Другие проекты
Все проекты
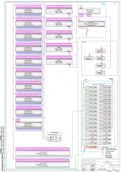
Схема организации связи ЛВС
Расстановка оборудования в ТШ
Схема соединений ТС_ЛВС
FREELANCE.RU
Toggle navigation
Нанять фрилансера
Заказчику
Найти по специализации
Найти по услугам
Провести конкурс
Разместить задание
Виртуальный HR
Найти студию
Другое
Найти работу
Фрилансеру
Найти задание
Присоединиться к команде
Участвовать в конкурсе
Предложить услугу
Другое
Возможности
Для заказчика
Для фрилансера
Вход
Разместить задание
▲