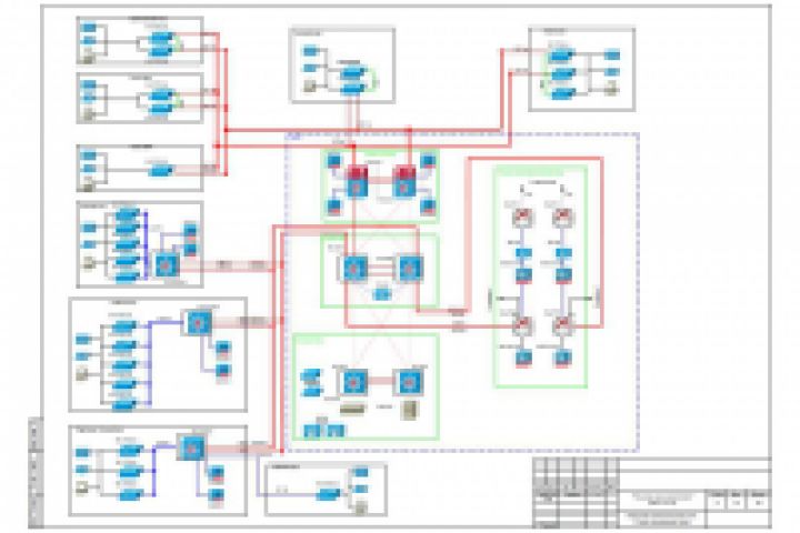
Схема организации связи ЛВС
Для полной функциональности этого сайта необходимо включить JavaScript.
Санкт-Петербург
Виталий
Vetal_BL
Рейтинг: 95
не верифицирован
Всего отзывов:
0
Активность:
Работ в портфолио:
25
Типовых услуг:
0
Работ на продажу:
0
Зарегистрирован:
21.11.2012
Был на сайте:
2021-07-18 в 10:38
+7 905 201 87 49
inbox
blinkov_va@mail.ru
Предложить работу
Добавить в избранное
Добавить рекомендацию
Пожаловаться
Инженерия
221
0
Схема организации связи ЛВС
Описание
Решение
Результат
Соавторы
Презентация проекта
Примеры реализации
Описание
Презентация проекта
Оценили проект:
0
×
Оценили проект
×
Авторизация
Для того чтобы оценивать проекты, вам нужно войти на сайт
Другие проекты
Все проекты
Схема соединений ЦОД
Работа 2617337
Работа 3525792
FREELANCE.RU
Toggle navigation
Нанять фрилансера
Заказчику
Найти по специализации
Найти по услугам
Провести конкурс
Разместить задание
Виртуальный HR
Найти студию
Другое
Найти работу
Фрилансеру
Найти задание
Присоединиться к команде
Участвовать в конкурсе
Предложить услугу
Другое
Возможности
Для заказчика
Для фрилансера
Вход
Разместить задание
▲