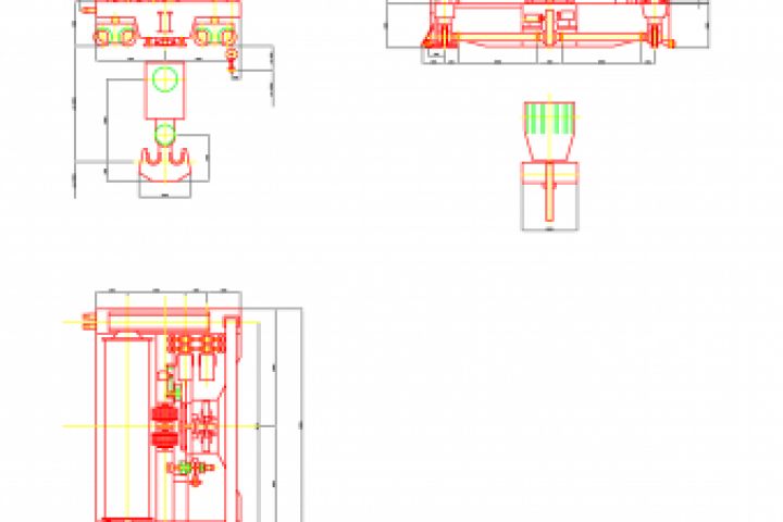
Чертеж тележки 400т для полярного крана Атомной станции
Для полной функциональности этого сайта необходимо включить JavaScript.
Харьков
32 года
На сайте с: 28.03.2020
Андрей Слесарев
andreyslesarev
Рейтинг: 56
не верифицирован
Всего отзывов:
0
Работ в портфолио:
6
Типовых услуг:
0
Работ на продажу:
0
Был на сайте:
2021-08-15 в 00:33
inbox
Предложить работу
Добавить в избранное
Добавить рекомендацию
Пожаловаться
Инженерия
13
0
Чертеж тележки 400т для полярного крана Атомной станции
Используемые навыки:
Чертежи/Схемы
Описание
Решение
Результат
Соавторы
Презентация проекта
Примеры реализации
Описание
Презентация проекта
Оценили проект:
0
×
Оценили проект
×
Авторизация
Для того чтобы оценивать проекты, вам нужно войти на сайт
Другие проекты
Все проекты
редуктор мех.подъема 400т
Схема монтажа барабанов высокого и низкого котла-утилизатора ТЕС
Схема монтажа металлоконструкций шатра котла-утилизатора ТЕС
FREELANCE.RU
Toggle navigation
Нанять фрилансера
Заказчику
Найти по специализации
Найти по услугам
Провести конкурс
Разместить задание
Виртуальный HR
Другое
Найти работу
Фрилансеру
Найти задание
Присоединиться к команде
Участвовать в конкурсе
Предложить услугу
Другое
Возможности
Для заказчика
Для фрилансера
Вход
Разместить задание
▲