Рейтинг: 64
не верифицирован
Всего отзывов: 0
  • Работ в портфолио: 14
  • Типовых услуг: 0
  • Работ на продажу: 0
  • Зарегистрирован: 28.10.2020
Был на сайте:

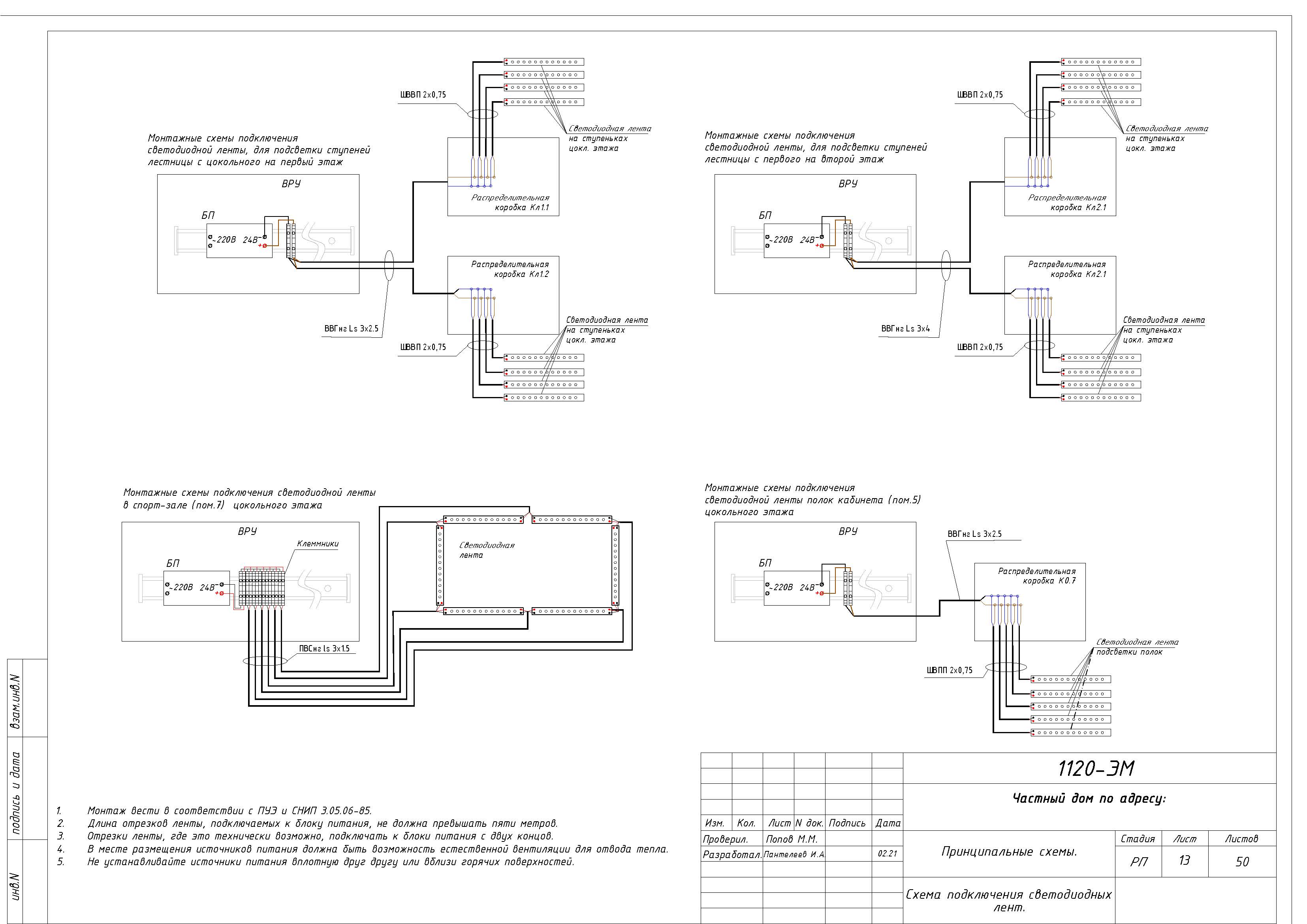
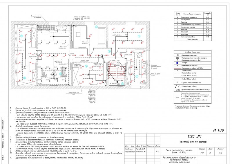
Умный дои и электроснабжение коттеджа 351м2

Используемые навыки:

Описание

Автоматизированное управление светом, шторами, кондиционерами на оборудовании Free@Home (ABB,Германия). Разработка схемы электропитания с учетом генераторной установки, стабилизаторов и подогрева водостоков.

Презентация проекта

pic4245665.jpg
Лист 6-29 ЭМ-АСУ_Страница_21.jpg
Лист 6-29 ЭМ-АСУ_Страница_23.jpg
Лист 6-29 ЭМ-АСУ_Страница_08.jpg
Шкаф.jpg

Оценили проект:

0