Рейтинг: 2 818
не верифицирован
Всего отзывов: 29 0
Выполнил заданий: 29
  • Активность:
  • Работ в портфолио: 72
  • Типовых услуг: 0
  • Работ на продажу: 0
Был на сайте:

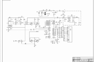
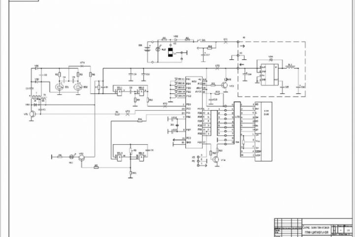
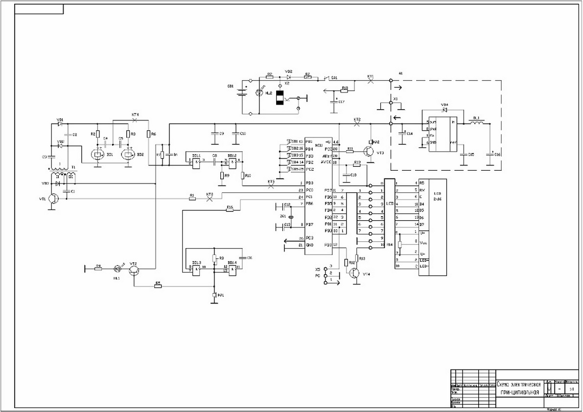
Схема электрическая принципиальная

Используемые навыки:

Описание

AutoCAD, КОМПАС, SolidWorks, T-Flex, Visio, P-CAD, NX/Unigraphics, 3D

Презентация проекта

pic1059305.jpg

Оценили проект:

0