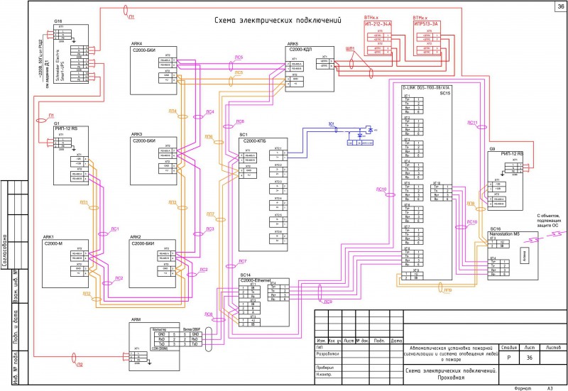
Проект ОС лаборатории в Симферополе
Для полной функциональности этого сайта необходимо включить JavaScript.
Нижний Новгород
Проекты выполняю качественно, в срок и по доступной цене.
Дмитрий Стратулат
Xtdima
Рейтинг: 278
не верифицирован
Всего отзывов:
7
0
Выполнил заданий:
7
Нейросаммари
Работ в портфолио:
84
Типовых услуг:
0
Работ на продажу:
0
Зарегистрирован:
18.11.2012
Был на сайте:
2025-11-13 в 19:53
+79648311634
inbox
xtdim@mail.ru
Предложить работу
Добавить в избранное
Добавить рекомендацию
Пожаловаться
Инженерия
50
0
Проект ОС лаборатории в Симферополе
Используемые навыки:
Слаботочные системы
Описание
Решение
Результат
Соавторы
Презентация проекта
Примеры реализации
Описание
Проект ОС лаборатории в Симферополе
Презентация проекта
Оценили проект:
0
×
Оценили проект
×
Авторизация
Для того чтобы оценивать проекты, вам нужно войти на сайт
Другие проекты
Все проекты
3Д визуализация
Проект ЭОМ развлекательный комплекс с подземной автостоянкой и и
Проект системы телевидения станции переливания крови
FREELANCE.RU
Toggle navigation
Нанять фрилансера
Заказчику
Каталог фрилансеров
Каталог PRO
Каталог студий
Каталог услуг
Каталог работ
Виртуальный HR
Умный поиск
Провести конкурс
Разместить задание
Найти работу
Найти задание
Присоединиться к команде
Участвовать в конкурсе
Предложить услугу
Вход
Разместить задание
▲