Проект системы охраны периметра
Для полной функциональности этого сайта необходимо включить JavaScript.
Нижний Новгород
На сайте с: 18.11.2012
Проекты выполняю качественно, в срок и по доступной цене.
Дмитрий Стратулат
Xtdima
Рейтинг: 278
не верифицирован
Всего отзывов:
7
0
Выполнил заданий:
7
Нейросаммари
Работ в портфолио:
84
Типовых услуг:
0
Работ на продажу:
0
Был на сайте:
2025-11-13 в 19:53
+79648311634
inbox
xtdim@mail.ru
Предложить работу
Добавить в избранное
Добавить рекомендацию
Пожаловаться
Инженерия
47
0
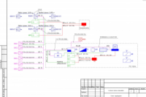
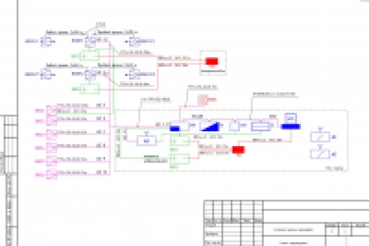
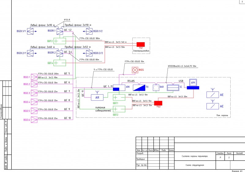
Проект системы охраны периметра
Используемые навыки:
Слаботочные системы
Описание
Решение
Результат
Соавторы
Презентация проекта
Примеры реализации
Описание
Проект системы охраны периметра
Презентация проекта
Оценили проект:
0
×
Оценили проект
×
Авторизация
Для того чтобы оценивать проекты, вам нужно войти на сайт
Другие проекты
Все проекты
Проект электроснабжение деревни ВЛ 0,4
Проект СКС
Проект дренчерной завесы и насосная станции торгового центра
FREELANCE.RU
Toggle navigation
Нанять фрилансера
Заказчику
Найти по специализации
Найти по услугам
Провести конкурс
Разместить задание
Другое
Найти работу
Фрилансеру
Найти задание
Присоединиться к команде
Участвовать в конкурсе
Другое
Возможности
Для заказчика
Для фрилансера
Вход
Разместить задание
▲