Проектирование систем отопления, вентиляции, кондиционирования

Александр Шкуропацкий shkuropatsky

Рейтинг: 123
не верифицирован
Всего отзывов: 0
  • Работ в портфолио: 53
  • Типовых услуг: 0
  • Работ на продажу: 0
Был на сайте:

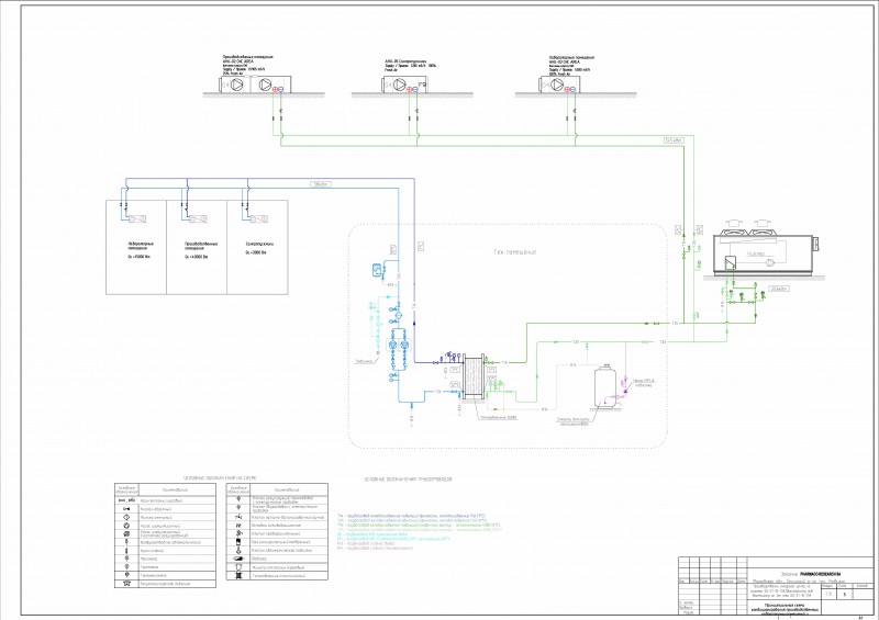
Фармацевтическое производство.Принц. схема кондиционирования 2

Описание

Фармацевтическое производство.
Принц. схема кондиционирования
производственных и лабораторных помещений

Презентация проекта

pic2441298.jpg

Оценили проект:

0