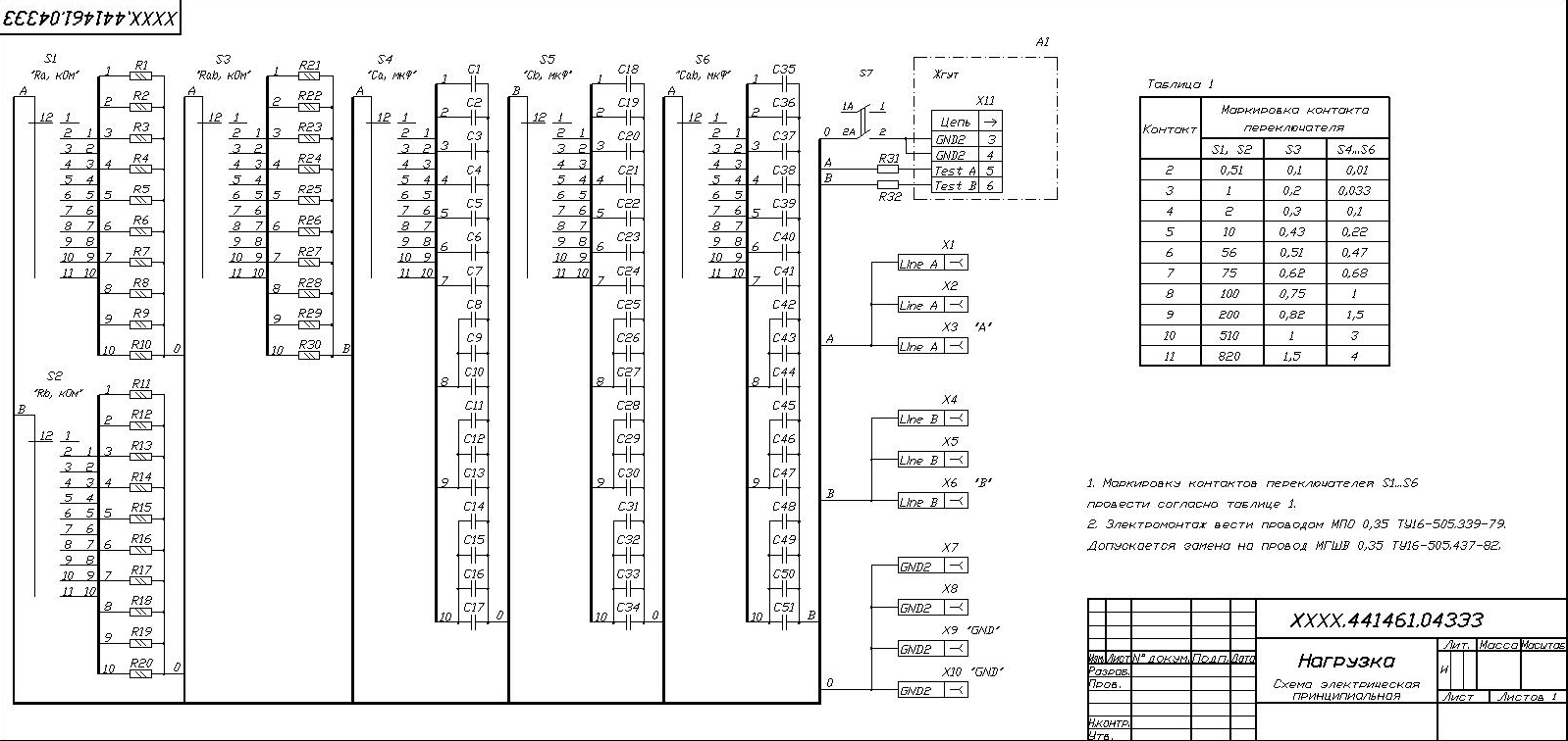
Схема принципиальная Э3
Для полной функциональности этого сайта необходимо включить JavaScript.
Таганрог
47 лет
На сайте с: 21.09.2010
Александр Купчик
Alexandr14
Рейтинг: 77
не верифицирован
Всего отзывов:
2
0
Работ в портфолио:
10
Типовых услуг:
0
Работ на продажу:
0
Был на сайте:
2025-07-04 в 14:39
inbox
Предложить работу
Добавить в избранное
Добавить рекомендацию
Пожаловаться
Инженерия
234
0
Схема принципиальная Э3
Используемые навыки:
Чертежи/Схемы
Описание
Решение
Результат
Соавторы
Презентация проекта
Примеры реализации
Описание
Презентация проекта
Оценили проект:
0
×
Оценили проект
×
Авторизация
Для того чтобы оценивать проекты, вам нужно войти на сайт
Другие проекты
Все проекты
Модуль компьютера формат 3U
Сборочный чертеж устройства совмещенный с электромонтажом
Параметрическая 3D модель втулки для Inventor14
FREELANCE.RU
Toggle navigation
Нанять фрилансера
Заказчику
Найти по специализации
Найти по услугам
Провести конкурс
Разместить задание
Собрать команду
Другое
Найти работу
Фрилансеру
Найти задание
Присоединиться к команде
Участвовать в конкурсе
Другое
Возможности
Для заказчика
Для фрилансера
Вход
Разместить задание
▲