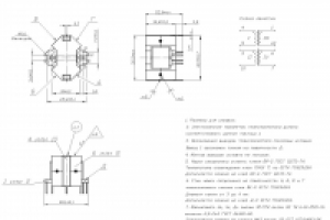
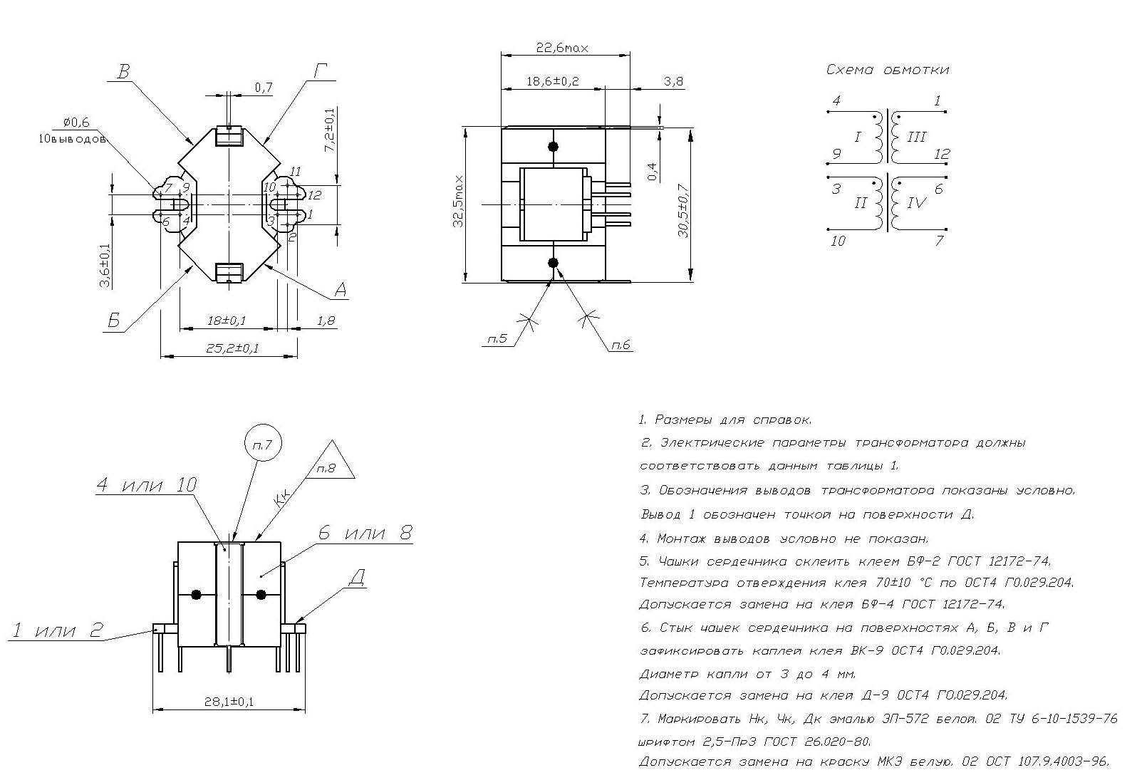
Сборка трансформатор
Для полной функциональности этого сайта необходимо включить JavaScript.
Таганрог
47 лет
На сайте с: 21.09.2010
Александр Купчик
Alexandr14
Рейтинг: 77
не верифицирован
Всего отзывов:
2
0
Работ в портфолио:
10
Типовых услуг:
0
Работ на продажу:
0
Был на сайте:
2025-07-04 в 14:39
inbox
Предложить работу
Добавить в избранное
Добавить рекомендацию
Пожаловаться
Инженерия
22
0
Сборка трансформатор
Используемые навыки:
Чертежи/Схемы
Описание
Решение
Результат
Соавторы
Презентация проекта
Примеры реализации
Описание
Презентация проекта
Оценили проект:
0
×
Оценили проект
×
Авторизация
Для того чтобы оценивать проекты, вам нужно войти на сайт
Другие проекты
Все проекты
Параметрическая 3D модель втулки для Inventor14
Чертеж упаковки с разверткой
Сборочный чертеж устройства совмещенный с электромонтажом
FREELANCE.RU
Toggle navigation
Нанять фрилансера
Заказчику
Найти по специализации
Найти по услугам
Провести конкурс
Разместить задание
Виртуальный HR
Другое
Найти работу
Фрилансеру
Найти задание
Присоединиться к команде
Участвовать в конкурсе
Другое
Возможности
Для заказчика
Для фрилансера
Вход
Разместить задание
▲