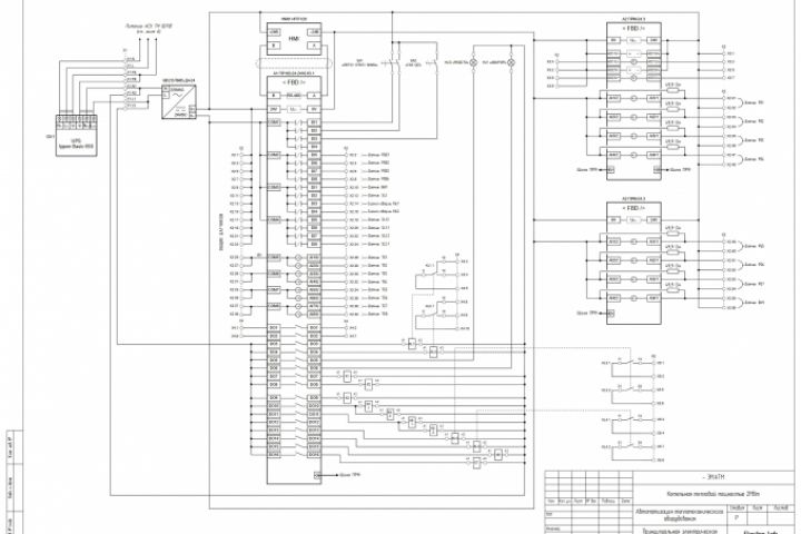
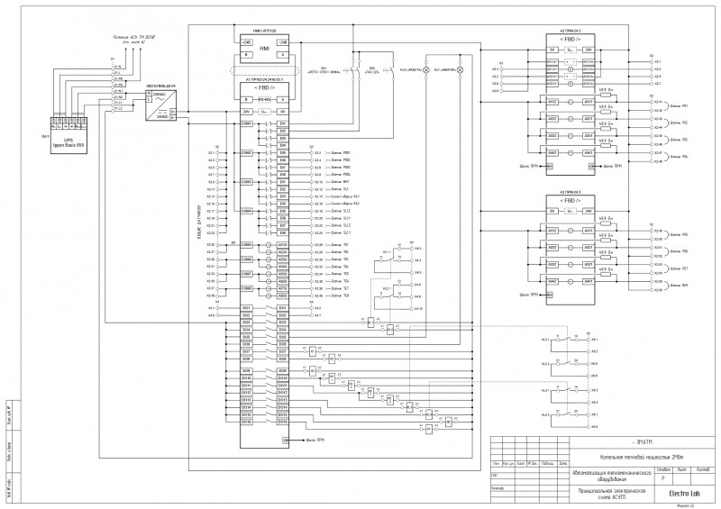
АСУТП котельной 2МВт на двух видах топлива
Для полной функциональности этого сайта необходимо включить JavaScript.
Москва
Electro Lab
electrolab
Рейтинг: 76
не верифицирован
Всего отзывов:
0
Работ в портфолио:
16
Типовых услуг:
0
Работ на продажу:
0
Зарегистрирован:
11.04.2020
Был на сайте:
2023-12-17 в 10:55
+79964388700
inbox
el_zakaz@mail.ru
Вконтакте
Предложить работу
Добавить в избранное
Добавить рекомендацию
Пожаловаться
Инженерия
23
0
АСУТП котельной 2МВт на двух видах топлива
Используемые навыки:
Слаботочные системы
Описание
Решение
Результат
Соавторы
Презентация проекта
Примеры реализации
Описание
Презентация проекта
Оценили проект:
0
×
Оценили проект
×
Авторизация
Для того чтобы оценивать проекты, вам нужно войти на сайт
Другие проекты
Все проекты
Схема АВР РУ-0,4кВ ТП
Схема шкафа автоматики системы "умный дом" для коттеджа
Программа управления конвейером (скрин FBD)
FREELANCE.RU
Toggle navigation
Нанять фрилансера
Заказчику
Найти по специализации
Найти по услугам
Провести конкурс
Разместить задание
Виртуальный HR
Найти студию
Другое
Найти работу
Фрилансеру
Найти задание
Присоединиться к команде
Участвовать в конкурсе
Предложить услугу
Другое
Возможности
Для заказчика
Для фрилансера
Вход
Разместить задание
▲