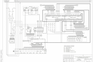
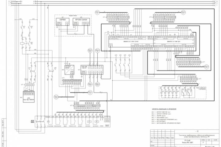
Схема АВР РУ-0,4кВ ТП
Для полной функциональности этого сайта необходимо включить JavaScript.
Москва
Electro Lab
electrolab
Рейтинг: 76
не верифицирован
Всего отзывов:
0
Работ в портфолио:
16
Типовых услуг:
0
Работ на продажу:
0
Зарегистрирован:
11.04.2020
Был на сайте:
2023-12-17 в 10:55
+79964388700
inbox
el_zakaz@mail.ru
Вконтакте
Предложить работу
Добавить в избранное
Добавить рекомендацию
Пожаловаться
Инженерия
268
0
Схема АВР РУ-0,4кВ ТП
Используемые навыки:
Электроснабжение
Описание
Решение
Результат
Соавторы
Презентация проекта
Примеры реализации
Описание
Презентация проекта
Оценили проект:
0
×
Оценили проект
×
Авторизация
Для того чтобы оценивать проекты, вам нужно войти на сайт
Другие проекты
Все проекты
План и расчет заземляющего устройства
План электроосвещения коттеджа
Схема шкафа автоматики системы "умный дом" для коттеджа
FREELANCE.RU
Toggle navigation
Нанять фрилансера
Заказчику
Найти по специализации
Найти по услугам
Провести конкурс
Разместить задание
Виртуальный HR
Найти студию
Другое
Найти работу
Фрилансеру
Найти задание
Присоединиться к команде
Участвовать в конкурсе
Предложить услугу
Другое
Возможности
Для заказчика
Для фрилансера
Вход
Разместить задание
▲