Работа 3702446
Для полной функциональности этого сайта необходимо включить JavaScript.
Москва
На сайте с: 23.10.2008
Дорогу осилит идущий
Александр Кузнецов
Togor
Рейтинг: 54
не верифицирован
Всего отзывов:
0
Работ в портфолио:
4
Типовых услуг:
0
Работ на продажу:
0
Был на сайте:
2023-12-26 в 17:11
8-906-751-08-75
inbox
Предложить работу
Добавить в избранное
Добавить рекомендацию
Пожаловаться
Инженерия
10
0
Работа 3702446
Используемые навыки:
Чертежи/Схемы
Описание
Решение
Результат
Соавторы
Презентация проекта
Примеры реализации
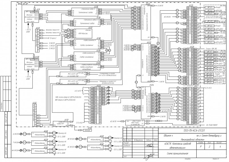
Описание
Схема электрическая соединений
Презентация проекта
Оценили проект:
0
×
Оценили проект
×
Авторизация
Для того чтобы оценивать проекты, вам нужно войти на сайт
Другие проекты
Все проекты
3D-модель для фрезеровочного станка
Комната Эймса (расчет и визуализация, рекомендациии заказчику)
Чертеж для изготовления стола в стиле лофт
FREELANCE.RU
Toggle navigation
Нанять фрилансера
Заказчику
Найти по специализации
Найти по услугам
Провести конкурс
Разместить задание
Виртуальный HR
Другое
Найти работу
Фрилансеру
Найти задание
Присоединиться к команде
Участвовать в конкурсе
Другое
Возможности
Для заказчика
Для фрилансера
Вход
Разместить задание
▲