Жить так, как другие не могут.

Дмитрий Ничипоренко interiers09

Рейтинг: 91
не верифицирован
Всего отзывов: 0
  • Работ в портфолио: 41
  • Типовых услуг: 0
  • Работ на продажу: 0
Был на сайте:

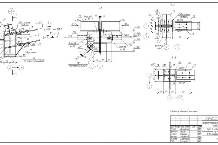
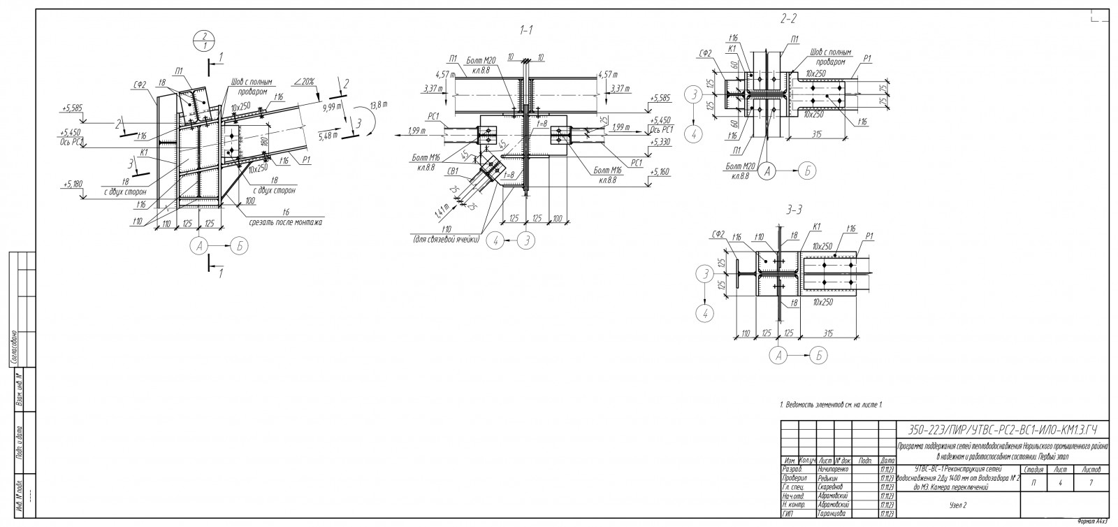
Камера Переключения (КП2) в г.Норильск

Описание

Графическая часть раздела КР (типовые узлы)

Презентация проекта

pic4558902.jpg

Оценили проект:

0