Проект от визуализации до конструкторской документации.

Александр Самаркин theaveunion

Рейтинг: 430
Паспорт верифицирован
Всего отзывов: 22 0
Выполнил заданий: 23
  • Активность:
  • Работ в портфолио: 82
  • Типовых услуг: 0
  • Работ на продажу: 0
  • Возраст: 29 лет
  • Зарегистрирован: 18.05.2018
Был на сайте:

Написание УП для фрезерного станка с ЧПУ

Используемые навыки:

Описание

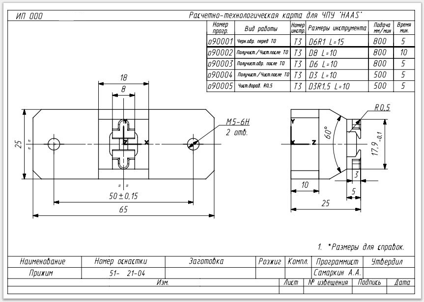
Написание управляющих программ для 3х осевого фрезерного станка, постпроцессор HAAS, оформление расчетно-технологической карты

Презентация проекта

pic3626510.jpg
5.JPG

Оценили проект:

0