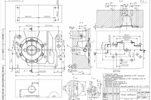
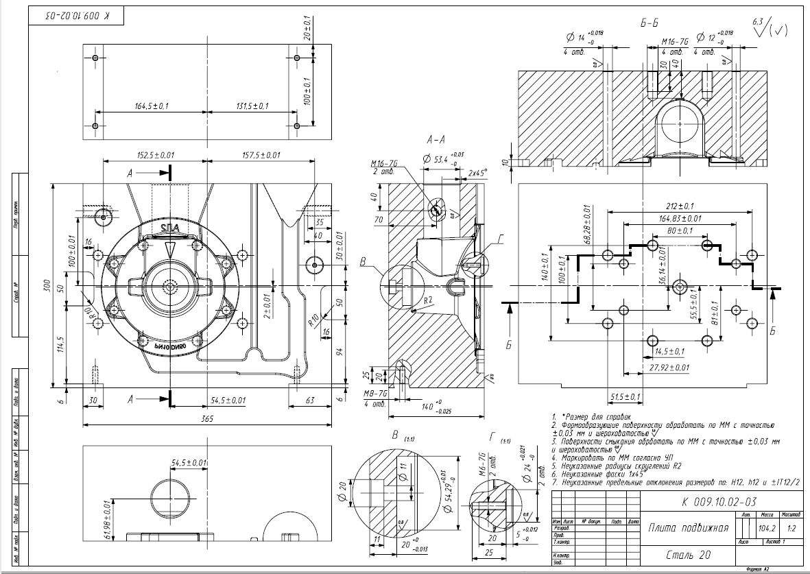
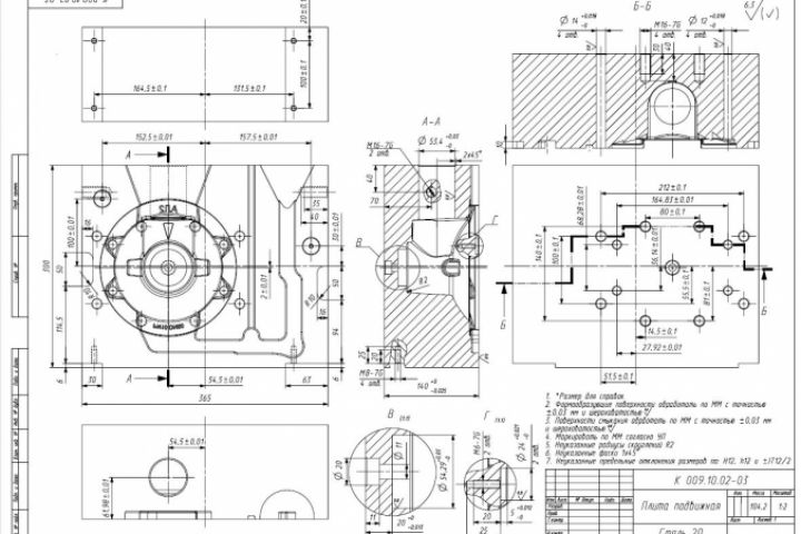
Рабочий чертеж подвижной плиты кокиля
Для полной функциональности этого сайта необходимо включить JavaScript.
Ульяновск
29 лет
На сайте с: 18.05.2018
Проект от визуализации до конструкторской документации.
Александр Самаркин
theaveunion
Рейтинг: 430
Паспорт верифицирован
Всего отзывов:
22
0
Выполнил заданий:
23
Нейросаммари
Активность:
Работ в портфолио:
82
Типовых услуг:
0
Работ на продажу:
0
Был на сайте:
2025-12-27 в 17:28
+79084728087
inbox
telegram
whatsapp
samarkinalex@yandex.ru
Предложить работу
Добавить в избранное
Добавить рекомендацию
Пожаловаться
Инженерия
105
0
Рабочий чертеж подвижной плиты кокиля
Используемые навыки:
Чертежи/Схемы
Описание
Решение
Результат
Соавторы
Презентация проекта
Примеры реализации
Описание
Презентация проекта
Оценили проект:
0
×
Оценили проект
×
Авторизация
Для того чтобы оценивать проекты, вам нужно войти на сайт
Другие проекты
Все проекты
Электрический гидроскутер
Пресс-форма для ТПА
Тренажер для реабилитации
FREELANCE.RU
Toggle navigation
Нанять фрилансера
Заказчику
Найти по специализации
Найти по услугам
Провести конкурс
Разместить задание
Виртуальный HR
Другое
Найти работу
Фрилансеру
Найти задание
Присоединиться к команде
Участвовать в конкурсе
Другое
Возможности
Для заказчика
Для фрилансера
Вход
Разместить задание
▲